| Начален сайт Сандъците  | "Библиотека Сандъците" | МОЖЕ ДА ПОДКРЕПИТЕ ФОРУМА С ДАРЕНИЕ >ТУК<

Автор Тема: ZX Spectrum (Ленинград 48к)  (Прочетена 28774 пъти)

0 Потреб. и 1 Гост преглежда(т) тази тема.

Неактивен lz1tka

  • Квантов генератор
  • ****
  • Публикации: 597
  • Населено място: Костинброд
Re: ZX Spectrum (Ленинград 48к)
« Отговор #30 -: 20 Октомври, 2021, 02:09:13 »
Отказа на клавиатурата се дължеше на доработения сигнал INT. Проработи след като включих старата схема и доработаката едновремено.
В момента ZX-а е като "лампов телевизор". Стартира нормално след като позагрее  :D.
Предполагам заради паметите. Откакто накачих и другите нещица(звука и 128 рам) започна да загрява по-бавно. Захранването е 2 амперово импулсно (китайско дете),може и да е заради него,иска добра филтрация.
Някой неща работещи с 128к памет стартират безпроблемно,при други се рестартира сам.

В момента почти съм готов с платката за имитация на касетофон. Мисля че същата може да се ползва и за всички останали Правци.


73!

Неактивен lz1tka

  • Квантов генератор
  • ****
  • Публикации: 597
  • Населено място: Костинброд
Re: ZX Spectrum (Ленинград 48к)
« Отговор #31 -: 21 Октомври, 2021, 23:05:51 »
Бавното 'загряване' и забиване се оказа заради тактовия сигнал на процесора. Просто се включва едно съпротивление 1ко между 6 краче на процесора и +. Тактовия сигнал е с честота 3,5 мегахерца,заради добавеното съпротивление проработиха 2,5 мхц-цов MOSTEK и немския UB880D  :). Направо си е овърклок на ZX.  :D

Добавен модул емулатор на касетофон. Работи с .TAP файлове (правят се от аудио касети в този формат). Без никакъв проблем същото изпълнение може да се включи и към Правците с аудио вход.


150846-0

Модула работи от 1 до 4 скорост на предаване (РОМа на ZX се сменя в зависимост от ползваната скорост,за Правец само на 1 такава). 256 мегабайтовата  SD карта памет отказва да работи, 2 гигабайтовата форматирана под fat16 работи безупречно. Целия архив на всевозможни игри и програмиза ZX се побира на 1 гигабайт.

150848-1

Схема на модула:
150850-2
Целия авторски проект от форума на Радиокот заедно с изходния С код!Може да се промени на Български.
* TapeEmulator.zip (994.8 kB - свалено 251 пъти.)
Версия софтуер за ATMEGA16AU на латиница(за дисплей без кирилизация):
* TE_Lat.zip (11.42 kB - свалено 208 пъти.)
Моя платка за емулатора в смд вариант:
* plata-tape-emulator-zx.zip (72.41 kB - свалено 229 пъти.)
150853-6





 
« Последна редакция: 21 Октомври, 2021, 23:20:19 от lz1tka »
73!

Неактивен NKK

  • Квантов електрон
  • ***
  • Публикации: 317
  • Населено място: Пловдив
    • eshop-bg
Re: ZX Spectrum (Ленинград 48к)
« Отговор #32 -: 22 Октомври, 2021, 21:13:54 »
Цитат
Бавното 'загряване' и забиване се оказа заради тактовия сигнал на процесора.

Ами като го споменаваш сега и се погледне схемата, това би трябвало да се очаква. Горкият тригер от който взимат сигнала сигурно е на границата на възможностите си и едва се справя (не ми се четат PDF-и сега)   ???
0879 530 578  www.eshop-bg.com

Неактивен lz1tka

  • Квантов генератор
  • ****
  • Публикации: 597
  • Населено място: Костинброд
Re: ZX Spectrum (Ленинград 48к)
« Отговор #33 -: 22 Октомври, 2021, 22:12:31 »
Ами като го споменаваш сега и се погледне схемата, това би трябвало да се очаква. Горкият тригер от който взимат сигнала сигурно е на границата на възможностите си и едва се справя (не ми се четат PDF-и сега)   ???
Точно, затова са слагали повторител между тях. Съпротивлението подпомага тригера.
Все пак да незабравяме че копието Ленинград е максимално опростено и орязано от към чипове в сравнение със  Синклера. Основните недостатъци са устранени в следващата "версия" под името Байт.
73!

Неактивен lz1tka

  • Квантов генератор
  • ****
  • Публикации: 597
  • Населено място: Костинброд
Re: ZX Spectrum (Ленинград 48к)
« Отговор #34 -: 24 Октомври, 2021, 01:23:33 »
Версия на клавиатура с рид ампули (не е тествана).

150889-0

Буквичките за нея.

* leningrad_stickers.zip (344.32 kB - свалено 226 пъти.)

Платката.
* klaviatura-zx-az.zip (52.14 kB - свалено 221 пъти.)

150893-3



73!

Неактивен Koceto8_5

  • Насочен електрон
  • **
  • Публикации: 50
  • Населено място: Пловдив
Re: ZX Spectrum (Ленинград 48к)
« Отговор #35 -: 24 Октомври, 2021, 17:18:53 »
Бутоните от Правец 8 ли са, и ако да от къде сте намерили капачета за тях?

Неактивен lz1tka

  • Квантов генератор
  • ****
  • Публикации: 597
  • Населено място: Костинброд
Re: ZX Spectrum (Ленинград 48к)
« Отговор #36 -: 24 Октомври, 2021, 17:39:14 »
Бутоните от Правец 8 ли са, и ако да от къде сте намерили капачета за тях?
Свалени са от българска клавиатура(с бутоните) за калкулатор, купена тук от форума преди години. Може колегата още да ги продава.
73!

Неактивен lz1tka

  • Квантов генератор
  • ****
  • Публикации: 597
  • Населено място: Костинброд
Re: ZX Spectrum (Ленинград 48к)
« Отговор #37 -: 07 Ноември, 2021, 18:02:55 »
Платката за клавиатурата на рид ампули работи безпроблемно.
73!

Неактивен lz1tka

  • Квантов генератор
  • ****
  • Публикации: 597
  • Населено място: Костинброд
Re: ZX Spectrum (Ленинград 48к)
« Отговор #38 -: 28 Ноември, 2021, 00:53:09 »
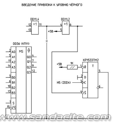
Най накрая успях да подкарам и Скарт входа на телевизора. Наложиха се някой доработки включващи к555тм2,к555ла2.
Първо D36 (74LS257) е сменена с 74LS157 заради нейното Z състояние което пречи на черния цвят (може да се ползва и стария чип но се налага да се лепят резистори на изхода.)

Направена е доработка за черния цвят за да се разпознава правилно сигнала от PAL декодери.

152014-0

След това е доработен изходния импулс за синхронизация. Оригиналния такъв е три пъти по дълъг от нормалния и не се разпознава от повечето декодери. Ползвах вместо 3-ти чип (LN1) този монтиран на дъното D34(8 и 9 краче). По схемата дават да се ползва D1 но той ми е зает целия.

152016-1

На скарта е монтирана допълнителна схемичка заради стандартния 75 омов вход.На тази схема е дадено за синхроимпулса да се ползва 20 краче, обаче всъщност е 19. Вероятно при съветските телевизори е работило нормално. Задължително се слага съпротивление от 200-300 ома на 16 краче (+5v),в схемата не е посочено. В противен случай я изгорял скарт или късо на дъното. Там се подават до 2V заради стандарта,в самия телевизор вече има друго съпротивление спрямо маса!.

152018-2

Синхроимпулса за схемата на Скарта се взима директно от дъното!



Доработките са по тази статия: http://zxbyte.ru/leningrad_video_out.htm

Имам си CGA изход и SCART такъв, Видео(VIDEO) изхода също работи но черно-бяло. Предполагам че  все пак сигнала от синхроимпулса не е напълно точен,съпротивленията също не съм ги подбирал,може да иска и допълнителна модификация.Засега толкова :)

Резултат:



« Последна редакция: 28 Ноември, 2021, 01:17:21 от lz1tka »
73!

 

Сходни теми

  Заглавие / Започната от Отговора Последна публикация
0 Отговора
4949 Прегледи
Последна публикация 09 Октомври, 2021, 18:25:12
от ССТАНЕВ

ПОЛЕЗНИ ВРЪЗКИ

Начален сайт "САНДЪЦИТЕ" Библиотека "Сандъците"
ОТГОВОРНОСТИ: Всички мнения във ФОРУМА са лични мнения на техните автори и не отразяват официалното становище на собствениците му.
   Copyright: Освен ако не е посочено друго, съдържанието на този сайт е лицензирано под:
  Creative Commons Attribution License.
  Текстът на договора за ползване на български
Copyright © 2011 - Сандъците - сайт и форум за стара електроника - За контакти  

Партньори:  | Форум за конспирации, уфология и мистика | Кактус БГ |