
U-LAN платката на ПЪЛДИН601

Схемата на един лист:

Схемата на два листа:


Документацията текст на руски език преведена:
U-LAN.zip (10.33 kB - свалено 60 пъти.)
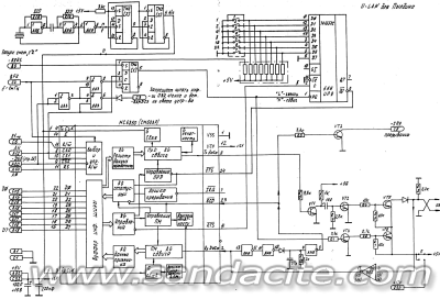
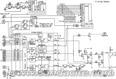
U-LAN мрежов контролер E33.088.047 2.044 P1-89:

Сетевая плата U-LAN. Совместная разработка предприятия "Вариант" и комбината "Правец". Производились в Болгарии. До "Варианта" компьютеры Правец в сеть не объединяли. Для экономии средств, чтобы не комплектовать каждый компьютер дисководами, с которыми была страшная напряженка, было принято решение комплектовать учительский компьютер 4-мя(четыремя) дисководами, а ученические загружать через сеть. Система позволяла связать в локальную сеть компьютерный класс на базе Правец 8, и передавать файлы и сообщения между компьютерами. Плата базируется на микросхеме последовательного порта Motorola 6850 и обеспечивает скорость 115 кбит/с. Известно о улучшенной и переработанной версии этой платы под названием ProLAN.
U-LAN мрежова карта. Съвместна разработка на предприятия "Вариант" и завод "Правец". Произведено в България. До "Варианта" компютрите на Правец не бяха включени в мрежата. За да се спестят пари, за да не се оборудва всеки компютър с дискове, с което имаше страшно напрежение, беше решено компютърът на учителя да се оборудва с 4 (четири) диска, а компютрите на учениците да се зареждат по мрежата. Системата даде възможност за свързване на компютърен клас Правец 8 към локална мрежа и прехвърляне на файлове и съобщения между компютрите. Платката е базирана на чип със сериен порт Motorola 6850 и осигурява скорост от 115 kbit/s. Известна е подобрена и преработена версия на тази платка, наречена ProLAN.
ULANROM.rar (652.18 kB - свалено 57 пъти.)
В архива има няколко версии на фърмуера на платката U-LAN, базирани на ИС тип 2764 (28 пина) или CM7732P (24 пина).