При липса на режим VGA в телевизорите реших да се заема с монитор CGA за Правец 16.
Доста игра падна със скарта и освен чернобяло изображение друго не проработи.
Намерих подобна схема за ZX Ленинград 128. Включването не съвпада по схемата от статията, след ровене схемата проработи и за Ленинград48.
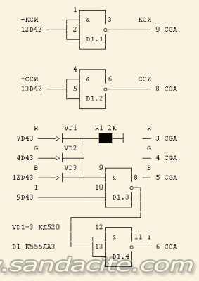
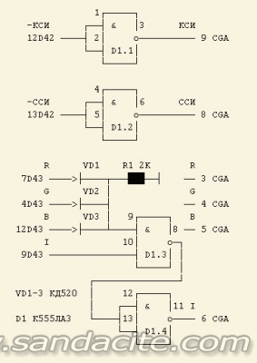
https://zxpress.ru/article.php?id=9126Инвертор на сигналите D1 К555ЛА3 (74ls00). VD1-3 1n4148
D36 - k555кп11 - не го ползвайте по възможност!!! заменете с 74ls257! съветското "чудо" вкарва смущения в картината.
D11 - 74LS86
(Ленинград 48к)
вход -КСИ се включва към краче 12 на D11
вход -ССИ се включва към краче 13 на D11
вход R се включва към краче 7 на D36
вход G се включва към краче 9 на D36
вход B се включва към краче 4 на D36
вход I се включва към краче 12 на D36


Тест

Някой ден ще се заема и с музикален процесор за него,флопи и доработка до 128 кв памет.
Има хиляди игри и най различен софтуер. Огромно разнообразие за рисуване,създаване на музика и др. Направо се хванах за главата, ейпълските машини доста изостават в сравнение на софтуерни приложения написани за ZX.
Резултат.
