| Начален сайт Сандъците  | "Библиотека Сандъците" | МОЖЕ ДА ПОДКРЕПИТЕ ФОРУМА С ДАРЕНИЕ >ТУК<

Автор Тема: ZX Spectrum (Ленинград 48к)  (Прочетена 28781 пъти)

0 Потреб. и 1 Гост преглежда(т) тази тема.

Неактивен lz1tka

  • Квантов генератор
  • ****
  • Публикации: 597
  • Населено място: Костинброд
Re: ZX Spectrum (Ленинград 48к)
« Отговор #15 -: 15 Септември, 2021, 13:23:10 »
Здравейте, дали е възможно да споделите шаблоните за изработка на платката и също така лесно ли се намират интегралните схеми?

Свалих шаблоните на сляпо без да знам дали има грешки от тук.

http://micklab.ru/ZX%20Spectrum/Leningrad.htm  (7. Гербер файлы для производства - скачать)
Както виждате платката проработи безпроблемно.
* Leningrad_gerber.rar (125.81 kB - свалено 149 пъти.)
---------------------------------------------------------------
Ако не се бъркам платката е поръчана от тука. Фирма от Повдив! Звънете и проверете! Фотошаблона вече го имат и цената за изработката е доста по ниска!
Фотошаблон --  Не(вече съществуващ)

https://selectrapcb.com/prices/index.php

--------------------------------------------------------------------------
Задължително се следи и този сайт за преработка 27с64 към 27с128 както и настройка към различни честоти на ползвания кварц.
http://sblive.narod.ru/ZX-Spectrum/Leningrad48k/Leningrad48k.htm
-------------------------------------------------------
Допълнителни доработки за стабилна работа при проблем. Освен генератора друго засега не съм пипал (Стабилизация тактового генератора). Ромовете  записани върху 27c128.


Ром памети за тест на памета и подкарване са от същия сайт. (Полезные файлы:)
Имя файла: test48k.bin (2,0K) --- (контролната сума не съвпада но теста работи :) )
Имя файла: sos48k_only.bin (16K)

https://www.cxemateka.ru/en/building_zx_spectrum_128k_clone_beta_disk_interface_ay_3_8910_ym2149f

Чиповете се намират по магазините, част от тях свалих от други платки.Препоръчвам оригиналния Зилог, и двата типа  z0840004 z084000  работят. Нямам за тест U880D.
Транзисторната сглобка 1НТ251 не се намира,заменена с транзистори.



« Последна редакция: 15 Септември, 2021, 13:32:55 от lz1tka »
73!

Неактивен Koceto8_5

  • Насочен електрон
  • **
  • Публикации: 50
  • Населено място: Пловдив
Re: ZX Spectrum (Ленинград 48к)
« Отговор #16 -: 15 Септември, 2021, 13:48:17 »
Благодаря много за детайлното описание и проблемите с които сте се сблъскали!

Неактивен Koceto8_5

  • Насочен електрон
  • **
  • Публикации: 50
  • Населено място: Пловдив
Re: ZX Spectrum (Ленинград 48к)
« Отговор #17 -: 15 Септември, 2021, 14:48:02 »
А каква клавиатура използвате?

Неактивен lz1tka

  • Квантов генератор
  • ****
  • Публикации: 597
  • Населено място: Костинброд
Re: ZX Spectrum (Ленинград 48к)
« Отговор #18 -: 15 Септември, 2021, 16:50:52 »
А каква клавиатура използвате?
Още не съм я сглобил. Проста клавиатура без чипове  с 40 бутончета. Масово се ползват китайските такива по телевизори,радиа и др.

73!

Неактивен lz1tka

  • Квантов генератор
  • ****
  • Публикации: 597
  • Населено място: Костинброд
Re: ZX Spectrum (Ленинград 48к)
« Отговор #19 -: 18 Септември, 2021, 01:09:11 »
Добавена "бърза" клавиатура. Оригинал за 2 извода.

150197-0

Преработена за 4 изводни бутони. В зипа е файла за копие.

150199-1
* zx-leningrad-klaviatura.zip (22.73 kB - свалено 135 пъти.)
150202-3

Доработено правилното чертане на окръжности. Съпротивление 150 ома и конд. 470(360)pf.

150204-4



« Последна редакция: 18 Септември, 2021, 01:14:47 от lz1tka »
73!

Неактивен lz1tka

  • Квантов генератор
  • ****
  • Публикации: 597
  • Населено място: Костинброд
Re: ZX Spectrum (Ленинград 48к)
« Отговор #20 -: 18 Септември, 2021, 12:34:48 »
Добавен нов "четец" за аудиовход. Стария на две микросхеми  521ca3 и 140уд6 изключен.
Работи прекрасно по тази схема (чипа е заменен с LM311N  не му съвпадат крачетата!!! )



150208-1

Засега цветноста не съм я подкарал.

При зареждане от телефон на 10 приложения, само едно се бъгна! Всичко е анимирано.

Някакво SDR радио за радиолюбители,като графика...  :lol:

150210-2

Просто игра.
73!

Неактивен lz1tka

  • Квантов генератор
  • ****
  • Публикации: 597
  • Населено място: Костинброд
Re: ZX Spectrum (Ленинград 48к)
« Отговор #21 -: 20 Септември, 2021, 01:48:37 »
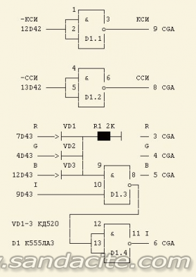
При липса на режим VGA в телевизорите реших да се заема с монитор CGA за Правец 16.
Доста игра падна със скарта и освен чернобяло изображение друго не проработи.
Намерих подобна схема за ZX Ленинград 128. Включването не съвпада по схемата от статията, след ровене  схемата проработи и за Ленинград48.
https://zxpress.ru/article.php?id=9126

Инвертор на сигналите D1 К555ЛА3 (74ls00). VD1-3 1n4148

D36 - k555кп11 - не го ползвайте по възможност!!! заменете с 74ls257! съветското "чудо" вкарва смущения в картината.
D11 - 74LS86

(Ленинград 48к)
вход -КСИ се включва към краче 12 на D11
вход -ССИ  се включва към краче 13 на D11
вход R  се включва към краче 7 на D36
вход G  се включва към краче 9 на D36
вход B  се включва към краче 4 на D36
вход I  се включва към краче 12 на D36

150235-0

150229-1

Тест
150227-2


Някой ден ще се заема и с музикален процесор за него,флопи и доработка до 128 кв памет.
Има хиляди игри и най различен софтуер. Огромно разнообразие за рисуване,създаване на музика и др. Направо се хванах за главата, ейпълските  машини доста изостават в сравнение на софтуерни приложения написани за ZX.

Резултат. :drinks:





« Последна редакция: 20 Септември, 2021, 02:22:22 от lz1tka »
73!

Неактивен lz1tka

  • Квантов генератор
  • ****
  • Публикации: 597
  • Населено място: Костинброд
Re: ZX Spectrum (Ленинград 48к)
« Отговор #22 -: 22 Септември, 2021, 00:17:35 »
Добавен музикален процесор AY-3-8912 свален от Правец 8д. Стерео изход с миди-лампов звук  :D.
По схемата се гледат крачетата дадени в скоби!

Схема: https://zxpress.ru/article.php/?id=11995
150255-0

В зипа е платката.
150257-1

* AY-3-8912-ZX-LENINGRAD-1.zip (23.94 kB - свалено 146 пъти.)

Всички изводи се включват директно към крачетата на процесора освен за 1,7 мегахерцовия такт. Тактовия сигнал се взима от ZX-са 2 краче на D3! Добрата новина че след доработките единия от процесорите на Мостек z80 проработи, другия не  :master:.

150260-3

Като гледам начина на работа, вероятно същата платка би свършила работа и за Правец 8М

Резултат :)


73!

Неактивен digi2577

  • Квантов електрон
  • ***
  • Публикации: 289
  • Населено място: Бургас
  • Димитър А. Димитров
Re: ZX Spectrum (Ленинград 48к)
« Отговор #23 -: 22 Септември, 2021, 09:25:53 »
Прекрасно! Поздравления за това, което си направил, колега!  :drinks:

Неактивен CVT

  • Адронен колайдер
  • *****
  • Публикации: 1448
Re: ZX Spectrum (Ленинград 48к)
« Отговор #24 -: 22 Септември, 2021, 11:55:07 »
...

Някакво SDR радио за радиолюбители,като графика...  :lol:

(Връзка към прикаченият файл)

Просто игра.

Колега, това SDR приложение за ZX Spectrum ли е и от къде го свали?

Неактивен lz1tka

  • Квантов генератор
  • ****
  • Публикации: 597
  • Населено място: Костинброд
Re: ZX Spectrum (Ленинград 48к)
« Отговор #25 -: 22 Септември, 2021, 18:31:13 »
Прекрасно! Поздравления за това, което си направил, колега!  :drinks:
Благодаря!  :drinks:


Колега, това SDR приложение за ZX Spectrum ли е и от къде го свали?

В Плей Маркет на андроид намирате ZX Tape Play. В търсачката на софта ZXSDR.


Доста от нещата не тръгват с звук. Това е софтуера на който първия адрес на данни не съвпада с командата за старт на AY. Имали са подобен бъг с Полски софтуер. Това ще се доработи.

Оше малко от демота :)

73!

Неактивен CVT

  • Адронен колайдер
  • *****
  • Публикации: 1448
Re: ZX Spectrum (Ленинград 48к)
« Отговор #26 -: 22 Септември, 2021, 18:57:02 »
Намерих го тук, обаче не разбирам с какъв SDR хардуер работи. От къде идва сигнала и изобщо има ли сигнал, или е само някакво демо?

Неактивен lz1tka

  • Квантов генератор
  • ****
  • Публикации: 597
  • Населено място: Костинброд
Re: ZX Spectrum (Ленинград 48к)
« Отговор #27 -: 22 Септември, 2021, 22:00:51 »
Намерих го тук, обаче не разбирам с какъв SDR хардуер работи. От къде идва сигнала и изобщо има ли сигнал, или е само някакво демо?
Чисто демо. Поонова време нямаше SDR.
73!

Неактивен CVT

  • Адронен колайдер
  • *****
  • Публикации: 1448
Re: ZX Spectrum (Ленинград 48к)
« Отговор #28 -: 22 Септември, 2021, 22:36:42 »
Да, но това е правено чак през 2013 г. когато вече е имало SDR. Можело е да е нещо истинско. Не разбирам с каква цел е направено. 🤷‍♂️​
« Последна редакция: 22 Септември, 2021, 22:42:14 от CVT »

Неактивен lz1tka

  • Квантов генератор
  • ****
  • Публикации: 597
  • Населено място: Костинброд
Re: ZX Spectrum (Ленинград 48к)
« Отговор #29 -: 10 Октомври, 2021, 04:54:29 »
Допълнителни доработки:
добавена 512 ROM вместо 128.
паметта RAM от 48к увеличена до 128 (по метода "сандвич" с още допълнителни 8 бр чипове), получи се Ленинград-128

Резултат:
512 неработи стабилно,понякога се включва оригиналната OS друг път TR-DOS.
Отказа клавиатурата.

Грешки в монтажа няма, нещо остана недоработено  ::)


150706-0
150704-1
150708-2
150710-3

Платката за доработката до 128к в архива (версия "сандвич").
* zx-leningrad-128k-ram.zip (32.86 kB - свалено 132 пъти.)

150713-5
150715-6150717-7
« Последна редакция: 10 Октомври, 2021, 05:02:41 от lz1tka »
73!

 

Сходни теми

  Заглавие / Започната от Отговора Последна публикация
0 Отговора
4949 Прегледи
Последна публикация 09 Октомври, 2021, 18:25:12
от ССТАНЕВ

ПОЛЕЗНИ ВРЪЗКИ

Начален сайт "САНДЪЦИТЕ" Библиотека "Сандъците"
ОТГОВОРНОСТИ: Всички мнения във ФОРУМА са лични мнения на техните автори и не отразяват официалното становище на собствениците му.
   Copyright: Освен ако не е посочено друго, съдържанието на този сайт е лицензирано под:
  Creative Commons Attribution License.
  Текстът на договора за ползване на български
Copyright © 2011 - Сандъците - сайт и форум за стара електроника - За контакти  

Партньори:  | Форум за конспирации, уфология и мистика | Кактус БГ |