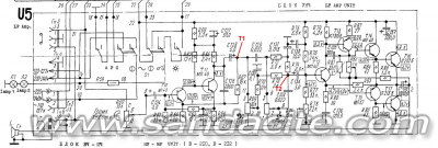
Ремонтирах Селена B211. По-точно работата ми беше да пренастроя УКВ тунера. Пренастроих последния без особени проблеми и затруднения, но после реших да пообновя и останалото в радиото. На първо четене половината от електролитните кондензатори с аксиални изводи бяха започнали да съхнат и имаха завишено вътрешно съпротивление в следствие на което реших всички аксиални електролитни кондензатори да бъдат заменени. Беше сменен и потенциометъра за регулиране на силата на звука, и този в тонкоректора за регулиране на ниските честоти защото пращяха доста. Всичко вече беше почти идеално, само един малък но дразнещ проблем продължаваше да ме мъчи - от високоговорителя при намален входен сигнал, редом с нормалния за усилвател с германиеви транзистори лек бял шум, се чуваше и леко просъскване и пращене като от лош контакт между проводници, студена спойка или нещо подобно. По времето на аналоговите телефонни централи често се чуваше такова нещо по линията. Схемата на НЧУ на радиото е следната:

След като вече бяха сменени всички аксиални електролитни кондензатори в НЧУ и бяха проверени мрежовият ключ, ключа за превключване мрежа-батерии и контакта прекъсващ веригата на високоговорителя при включване на слушалки под съмнение падна изходния електролит C138 1000uF, макар че той имаше отлично вътрешно съпротивление, реших че може да прави утечка. Смених го но проблема остана. Започнах да мисля че може да е тримера за установяване на постоянното напрежение в изхода R78 защото той при поврътване издаваше също щумолещи звуци. Последния беше сменен но проблема остана. Започнах с електролитен кондензатор свързан към маса последователно да заземявам по променлив ток различни точки по пътя на сигнала за да видя кога ще изчезне шумоленето. Установих че като заземя отбелязаната на схемата точка T1 шумоленето остава непроменено, а като заземя T2 изчезва. Това ме тласна в силно погрешна посока че причина за шума е някой от резисторите или неполярните кондензатори в схемата на тонкоректора или клона за задаване на постояннотоковия режим на транзистора T12. След смяна на почти всички резистори и тест чрез шунтиране на повечето неполярни кондензатори проблема остана. Полупроводниците също не бяха извън съмнение, поради това че съм чувал от колеги с богат опит с германиевите транзистори че понякога германиевите транзистори имат някакъв дефект от стареене който води до това че генерират странен шум. В случая обаче T12 на пръв поглед беше вън от съмнение защото при заземяване по променлив ток на точка ПРЕДИ него шума изчезваше. Обаче след като не оставаше вече нищо друго се замислих, че може шума да се генерира в прехода колектор-база който после да се усилва по усилването по ток и напрежение на T12 и да става чуваем, а при заземяване на базата на T12 по променлив ток шума се дава на маса и не се усилва от транзистора и съответно не се чува. Този път реших да не заземявам точка T2 ами откачих C134 с което шума се увеличи, което потвърди теорията че се генерира вътре в структурата на T12. Най-накрая след смяна на T12 шума изчезна напълно и окончателно ремонта бе завършен. Това за мен беше един много заплетен проблем, който ми отне около 2 седмици мислене, чудене, мерене и сменяне. Най-накрая кефа беше голям! Само остана яда че съм сменил бадева C138 - изходния електролит. Беше в отлично състояние и щеше да надживее този китаец който съм сложил сега, но това е. В името на науката трябват жертви
