| Начален сайт Сандъците  | "Библиотека Сандъците" | МОЖЕ ДА ПОДКРЕПИТЕ ФОРУМА С ДАРЕНИЕ >ТУК<

Автор Тема: Радиоремонти из ежедневната практика  (Прочетена 27948 пъти)

0 Потреб. и 1 Гост преглежда(т) тази тема.

Неактивен bobi mw

  • Квантов генератор
  • ****
  • Публикации: 584
  • Населено място: Плевен
Радиоремонти из ежедневната практика
« -: 20 Септември, 2015, 10:15:29 »
Тъй като постоянно се занимавам с лампови радиоапарати и се се налага някой ремонт отварям тази тема.Тук всеки може да сподели някой по интересна случка при откриване и отстраняване на някоя повреда която ще бъде полезна за всички.

Неактивен origo

  • Адронен колайдер
  • *****
  • Публикации: 3507
  • Населено място: София
Re: Радиоремонти из ежедневната практика
« Отговор #1 -: 20 Септември, 2015, 11:35:08 »
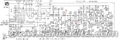
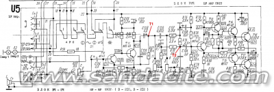
Ремонтирах Селена B211. По-точно работата ми беше да пренастроя УКВ тунера. Пренастроих последния без особени проблеми и затруднения, но после реших да пообновя и останалото в радиото. На първо четене половината от електролитните кондензатори с аксиални изводи бяха започнали да съхнат и имаха завишено вътрешно съпротивление в следствие на което реших всички аксиални електролитни кондензатори да бъдат заменени. Беше сменен и потенциометъра за регулиране на силата на звука, и този в тонкоректора за регулиране на ниските честоти защото пращяха доста. Всичко вече беше почти идеално, само един малък но дразнещ проблем продължаваше да ме мъчи - от високоговорителя при намален входен сигнал, редом с нормалния за усилвател с германиеви транзистори лек бял шум, се чуваше и леко просъскване и пращене като от лош контакт между проводници, студена спойка или нещо подобно. По времето на аналоговите телефонни централи често се чуваше такова нещо по линията. Схемата на НЧУ на радиото е следната:
36050-0
След като вече бяха сменени всички аксиални електролитни кондензатори в НЧУ и бяха проверени мрежовият ключ, ключа за превключване мрежа-батерии и контакта прекъсващ веригата на високоговорителя при включване на слушалки под съмнение падна изходния електролит C138 1000uF, макар че той имаше отлично вътрешно съпротивление, реших че може да прави утечка. Смених го но проблема остана. Започнах да мисля че може да е тримера за установяване на постоянното напрежение в изхода R78 защото той при поврътване издаваше също щумолещи звуци. Последния беше сменен но проблема остана. Започнах с електролитен кондензатор свързан към маса последователно да заземявам по променлив ток различни точки по пътя на сигнала за да видя кога ще изчезне шумоленето. Установих че като заземя отбелязаната на схемата точка T1 шумоленето остава непроменено, а като заземя T2 изчезва. Това ме тласна в силно погрешна посока че причина за шума е някой от резисторите или неполярните кондензатори в схемата на тонкоректора или клона за задаване на постояннотоковия режим на транзистора T12. След смяна на почти всички резистори и тест чрез шунтиране на повечето неполярни кондензатори проблема остана. Полупроводниците също не бяха извън съмнение, поради това че съм чувал от колеги с богат опит с германиевите транзистори че понякога германиевите транзистори имат някакъв дефект от стареене който води до това че генерират странен шум. В случая обаче T12 на пръв поглед беше вън от съмнение защото при заземяване по променлив ток на точка ПРЕДИ него шума изчезваше. Обаче след като не оставаше вече нищо друго се замислих, че може шума да се генерира в прехода колектор-база който после да се усилва по усилването по ток и напрежение на T12 и да става чуваем, а при заземяване на базата на T12 по променлив ток шума се дава на маса и не се усилва от транзистора и съответно не се чува. Този път реших да не заземявам точка T2 ами откачих C134 с което шума се увеличи, което потвърди теорията че се генерира вътре в структурата на T12. Най-накрая след смяна на T12 шума изчезна напълно и окончателно ремонта бе завършен. Това за мен беше един много заплетен проблем, който ми отне около 2 седмици мислене, чудене, мерене и сменяне. Най-накрая кефа беше голям! Само остана яда че съм сменил бадева C138 - изходния електролит. Беше в отлично състояние и щеше да надживее този китаец който съм сложил сега, но това е. В името на науката трябват жертви :)
Няма нищо по хубаво от старите телевизори, особено за хората които обичат да прекарват свободното си време зад телевизора а не на канапето пред него :) ... и когато вече за нищо не стават пак може да им се намери приложение :D ....

Неактивен bobi mw

  • Квантов генератор
  • ****
  • Публикации: 584
  • Населено място: Плевен
Re: Радиоремонти из ежедневната практика
« Отговор #2 -: 20 Септември, 2015, 12:44:14 »
Акорд 104
Схемата на приемника е на "Мелодия 10" и по същата схема се произвеждат и музикалните шкафове "Акорд" и "Лира".
На работната маса ми попадна радиошкафа "Акорд 104".При вкючването му към мрежата приемникът не работи и скалните лампи не светят.Проверен бе захранващия шнур защото беше снаждан и той беше в изправност.Проверен бе и мрежовия ключ,който често дефектира и той беше в изправност.Мрежовия предпазител беше изгорял като оригиналния е за ток 0.315А,а изгорелия бе 0.5А.При монтиране на нов той изгоря наново.Разкачих отоплителната и високоволтовата намотка и отново бе включен апарата и тогава мрежовия предпазител не изгоря.След щателна проверка за късо съединение се оказа пробит селенов пакет.След смяната на друг изправен селенов пакет апарата беше пуснат в действие и работи нормално като след 40 минути работа мрежовия предпазител отново изгоря.Новопоставения селенов пакет и той беше пробил.Поставих трети пакет и отново апарата го включих и той работи в норми като закачих волтметър и показва захранващи напрежения в норма  и след същия период напрежението започна да пада към 180 волта и отново изгоря мрежовия предпазител и трети селенов пакет беше пробил.Рекох си това е ненормална голяма консумация на анодно  напрежение и пипнах изходния трансформатор за звука и се беше загрял доста.След оглед на елементите в крайното стъпало на звука всичко беше в норма дори и прехвърлящия кондензатор към първа решетка.Причина  за цялата какафония се оказа крайната лампа EL 84 като след продължителна работа явно дава вътрешна утечка.След смяната на същата само че с руския еквивалент 6П14П апарата работеше в продължение на 16 часа като изходния трансформатор беше студен и селеновия пакет леко топъл.За радост бе,че собственика не сложил тел вместо предпазител или предпазител за много голям ток,защото в противен случай щеше и мрежовия трансформатор да изгори.Това е интересен случай от последната седмица от моите начинаещи познания по радиоремонт.

Неактивен ditronix

  • Квантов електрон
  • ***
  • Публикации: 421
  • Населено място: Провадия
Re: Радиоремонти из ежедневната практика
« Отговор #3 -: 20 Септември, 2015, 13:18:59 »
Направо си е имал късмет собственикът че не е знаел как се сменят бушони дето горят! 8)   3-4 ката тел и бушона става вечен! Това, че започват да горят разни други екзотики вече си е друга тема :D    Та на въпроса- това си е стандартен проблем и навремето в сервизите уроците започваха с аналогични случаи- EL84/6П14П имат гадния навик с годините да губят вакуум. Повишава се анодния ток, гори бушон-слага се нов. Гори и той- пак нов(няколко пъти) и накрая тел. От там нататък селенът -ех, какви селени имаше едно време ???  -започва да понамирисва на развалено кисело зеле, ама кой ти обръща внимание....Докато се опече някой ден мрежовия траф. И после-рев! Затова аз поне имах навика на познати да предлагам да сменим крайната лампа докато не е станала белята. Всички знаем че добре си личи коя лампа колко години е навъртяла, така че не беше трудно да се преценява. Селените ги заменях с Д226Б без хич даже и да се замислям! Бях си направил платки с размерите на селена, изводите- на съответните места и всичко ставаше за две минути.
DRL  модули за всички видове автомобили!

Неактивен bojitchko

  • Квантов генератор
  • ****
  • Публикации: 523
  • Населено място: София
Re: Радиоремонти из ежедневната практика
« Отговор #4 -: 20 Септември, 2015, 22:02:30 »
Бях си направил платки с размерите на селена

Запояваш диодите направо на изводите на селена, слагаш капака и оригинал.  :)

Неактивен origo

  • Адронен колайдер
  • *****
  • Публикации: 3507
  • Населено място: София
Re: Радиоремонти из ежедневната практика
« Отговор #5 -: 20 Септември, 2015, 22:54:29 »
Да, само не забравяйте последователен резистор на всеки диод и кондензатор паралелно на диода. В днешно време замяната на селена с диоди за мен е лоша идея, но истината е че от към параметри е по-добре да се смени.
Няма нищо по хубаво от старите телевизори, особено за хората които обичат да прекарват свободното си време зад телевизора а не на канапето пред него :) ... и когато вече за нищо не стават пак може да им се намери приложение :D ....

Неактивен goldib

  • Квантов електрон
  • ***
  • Публикации: 244
  • Населено място: Пловдив
Re: Радиоремонти из ежедневната практика
« Отговор #6 -: 20 Септември, 2015, 23:05:22 »
    origo   защо не напишеш едно подробно разяснение защо трябва да се слагат кондензатори и резистор при изправителите и какви диоди /шотки  бързи... / трябва да се избират :hi:

Неактивен ditronix

  • Квантов електрон
  • ***
  • Публикации: 421
  • Населено място: Провадия
Re: Радиоремонти из ежедневната практика
« Отговор #7 -: 21 Септември, 2015, 12:52:41 »
И колко бързи трябва да са тия пусти диоди при честота на мрежата 50Hz :blush:  Ако изправяхме 50KHz разбирам.....  За кондензаторите съм съгласен, ама тия последователни резистори........ Има резон в тях, ако грецът е съставен от по няколко паралелни диода в рамо за по-голям ток, иначе на сингъл-файда йок според мен...
DRL  модули за всички видове автомобили!

Неактивен origo

  • Адронен колайдер
  • *****
  • Публикации: 3507
  • Населено място: София
Re: Радиоремонти из ежедневната практика
« Отговор #8 -: 21 Септември, 2015, 13:09:11 »
Не съм казвал да се ползват бързи диоди. Попринцип колкото е по-бърз толкова по-идеален ключ е дори при 50 херца ще предизвиква по-малко смущения. Бързината касае времето за което спира да тече ток през диода след като вече е поляризиран в обратна посока и влияе както при 50килохерца така и при 50 херца, но докато при 50к е голям проблем и бавните диоди греят, греят и филтровите електролити и се скапва КПД на целия преобразувател то при 50 херца влиянието е по-скоро козметично и реално бързи диоди при такива малки токове и в лампово радио е абсолютно излишно, затова бързи диоди не съм споменавал. Препоръчвам най-нормални 1n4007. Паралено на всеки диод в грец-а да се свърже кондензатор 4.7 - 10 нанофарада, за да понижава честотата на резонансния кръг образуван от капацитета на запушения диод и разсеяната индуктивност на вторичната намотка на мрежовия трансформатор. Това е против радиосмущения иначе е възможно да се появи „бръмчене“ с честота 100 херца при приемане на АМ обхватите. И поради това че селеновия изправител нормално има по-голям пад на напрежение в отпушено състояние от един силициев изправителен диод при директна подмяна на селена с диоден грец анодното ще се повиши значително с всички проблеми следващи от това. Във веригата след грец-а за тази цел трябва да се свърже гасящо съпротивление с определена стойност за да стане анодното напрежение колкото трябва да бъде номинално. Аз обаче предпочитам отвън да не се вижда резистор и искам да скрия всичко в кутийката на селеновия изправител затова за по-добро разпределение на мощността слагам последователно на всеки диод по един резистор с два пъти по-малка стойност на съпротивлението от тази която би била на един общ резистор вън от изправителя. Така с 4 резистора по 2 вата се разсейва без прекомерно нагряване необходимата мощност това ми е идеята, иначе всеки може да си го направи както иска, но без резистор съвсем няма как да мине.
Няма нищо по хубаво от старите телевизори, особено за хората които обичат да прекарват свободното си време зад телевизора а не на канапето пред него :) ... и когато вече за нищо не стават пак може да им се намери приложение :D ....

Неактивен shri

  • Адронен колайдер
  • *****
  • Публикации: 1001
  • Населено място: Германия Берлин
  • LZ2IX
Re: Радиоремонти из ежедневната практика
« Отговор #9 -: 21 Септември, 2015, 17:09:51 »
Преди 20г, когато започнаха да се появяват кабелните телевизии. Започнахме да подменяме тунерите на телевизорите първо със ес-банд после със хипербанд. Предполагам всички се сещате за това време. Тогава работех в един сервиз и бая телевизори минаха през ръцете ми за тази процедура. Но имаше няколко модела JVC със синтезатор и никой не знаеше тогава как да смени тунера с обикновен. Тогава се занимавах точно с правене на синтезатори за 2 метра. И се досетих нещо много просто. Правех двата тунера да работят в паралел и така лъжех проца на телевизора. Запоявах хипербанда на капака на оригиналния и запаралелвах всички крачета на двата тунера. АРУ на единия с АРУ на другия и така всички еднакви. Така не запаралелени остават само антенния вход и изхода за МЧУ. Разбира се и двата тунера са с ено и също захранващо напрежение и управлението на обхватите им трябва да е еднакво с подаване на +. И така подавах антената на хипербанда и от изхода му подавах на телевизора. А другия тунер беше само за да си охапва синтезатора и подава варикапното. При това се появи обаче един проблем. Обикновено стабилизатора за варикапното 30В е малък и клякаше с 0,5-1В. Вместо 30В вадеше 29-29,5В. И така в единия край не можеха да се ловят една 2 програми. Но след преработка на стабилизатора и това отпадна. Клиентите с такива телевизори оставаха много доволни защото по това време никой в града не се беше досетил за това и на всякаде им отказваха. А за времето си бяха хубави телевизори повечето внос от пампорджии.
Денят е прекрасен, забеляза ли го!

Неактивен bobi mw

  • Квантов генератор
  • ****
  • Публикации: 584
  • Населено място: Плевен
Re: Радиоремонти из ежедневната практика
« Отговор #10 -: 27 Септември, 2015, 16:49:23 »
Радиоприемник "Концерт"
Да отбележа че приемниците произвеждани през 1960г са правени по схемата на музикалния шкаф "Хармония РШМ-60".
Тъй като аз се занимавам с ремонти на радиоапарати и познанията са ми не на професионален специалист много познати ме знаят че разбирам и един мой съсед ми докара от село един радиоприемник "Концерт" че не работил и желае да си го сложи в битова стая.Първо смених захранващия кабел защото изолацията му бе напукана и след това го включих в захранващата мрежа.След пускането му в действие ламите светеха като и индикатора също работеше,но се чуваше много тих шум от високоговорителя.За да съм сигурен че крайното стъпало е в изправност подадох звуков сигнал на вход грамофон но звука беше много тих и изкривен.Веднага си рекох някоя изтощена лампа има.Смених двете EL 84 разлика нямаше,като след това и ECC 83 и ЕАВС 80 промяна също нямаше.Напреженията на анодите бяха в норми съгласно схемата.На първите решетки на крайните лампи имаше положително напрежение и смених прехвърлящите кондензатори но нямаше промяна.Направи ми впечатление,че страничните високоговорители неработят и проблема беше в разделителния кондензатор,който беше прекъснат сложих друг само че електролитен и високоговорителите тръгнаха но свирят малко по силно от основния.Разпоих основния говорител и измерих съпротивлението му беше в норма като го пробвах към отделен звукоизточник и свиреше превъзходно.Помислих си да няма късо в изходния трансформатор.Свързах отново високоговорителя и радиото работи на една станция в средновълновия обхват усилено докрай тихо и изкривено.Гледам радиолампите да не червенеят,пипам изходния трансформатор студен изключих го и го оставих за следващия ден.След умуване се досетих да не би да са от кондензаторните високоговорители но те пък имаха разделител кондензатор и след пробата нямах успех.Насочих си вниманието към LC филтъра към основния високоговорител.Радиото е включено и като разпоих кондензатора който е свързан към шаси радиото гръмна със се сила да свири че ме уплаши :D .И проблема е че давал накъсо сигнала и затова свири слабо и изкривено.Убеждавам се че при ремонта на радиоприемници тези черните асфалтови кондензатори е задължително да се сменят,защото или ще прекъснат или пробит.След този дребен ремонт оставих радиоприемника да работи почти 48 часа и не показа дефект го предадох на клиента.

Неактивен lz2xl

  • Глобален модератор
  • Адронен колайдер
  • *****
  • Публикации: 3723
  • Населено място: Варна
Re: Радиоремонти из ежедневната практика
« Отговор #11 -: 27 Септември, 2015, 17:45:01 »
Ремонт на радиоприемник ВЕФ 221,не работи на УКВ.Произведен 1990 г.Приемника е оригинално настроен на 88-108 мхц.Оказа се че е прекъснала вътре К237ХА5.При лек натиск на платката тръгва и спира като я пуснеш,създава илюзията на лоша спойка или пукнато фолио.След като презапоих изводите на хиса тръгна и работи цели 10-15 мин :D Намерих с голям зор по старата модификация К2ЖА375 произведена през 1978 г.Тръгна от раз :) правих опити с други аналози,ВЕФ-а си иска неговото :D А казват че серията К2ЖАххх била по лоша от по модерната К237ххх :) Аз не вярвам.

Неактивен pana

  • Квантов електрон
  • ***
  • Публикации: 340
  • Населено място: Пловдив
Re: Радиоремонти из ежедневната практика
« Отговор #12 -: 01 Октомври, 2015, 19:44:32 »
 Няма проблеми със замяната на диоди на мястото на селеновия токоизправител .Веднаж свалих трансформатора и му развих навивки за около 25-30в . Изведох извод и отново си го навих . Никакви проблеми . В такъв случай не е необходим резистор. Пробвал доста сериозно грее . Спомням си това беше не на някакъв какъв да е апарат а сериозен хубав Грундик .Селеновия пакет беше в тяло като на електролитен кондензатор. Тази терапия му дойде добре. Диодите работеха отлично.

Неактивен origo

  • Адронен колайдер
  • *****
  • Публикации: 3507
  • Населено място: София
Re: Радиоремонти из ежедневната практика
« Отговор #13 -: 02 Октомври, 2015, 11:47:32 »
Да, разбира се ясно е че диодите работят добре и е ясно че може да се развие анодната намотка на трансформатора, но не винаги това е приложимо. Понякога анодната намотка е под отоплителните, тогава развиването е по-скоро нежелателно, като цяло за мен е доста сериозно вмешателство в здрав радиоприемник да му развиваш от трафа. Резистора е добро решение - грее да, но не повече от колкото е грял селеновия изправител, защо трябва да подобряваме приемниците, нали идеята е да ги въстановяваме до фабричното им състояние. И щом там е имало топлинни загуби, то значи няма проблем да си останат. Просто трябва да се постави резистор с достатъчно голяма мощност за да не се вдигат високи температури. Добре е, даже е препоръчително паралелно на диодите да се свържат и блокиращи кондензатори 4.7 - 10 нанофарада.
Няма нищо по хубаво от старите телевизори, особено за хората които обичат да прекарват свободното си време зад телевизора а не на канапето пред него :) ... и когато вече за нищо не стават пак може да им се намери приложение :D ....

Неактивен bobi mw

  • Квантов генератор
  • ****
  • Публикации: 584
  • Населено място: Плевен
Re: Радиоремонти из ежедневната практика
« Отговор #14 -: 21 Октомври, 2015, 16:51:49 »
Симфония
Проблем с УКВ който почти  два месеца беше решен.Първо бяха измерени напрежения и бяха в норми,бяха заменени кондензаторите в МЧ усилвател,беше проверен и клавишния ключ за УКВ,бяха измерени и резисторите за стойност по електрическата схема,бяха проверени и филтрите в МЧ като и бяха регулирани но без ефект,беше проверен и УКВ блока и там не оказа резултат.Стигнах до разглобяване на МЧ филтрите и някак си не ми изглеждаха визуално добре нито кондензаторите в него нито бобинките.След замяната им с бобини блокчета от радиоприемник "Мелодия" и много малка настройка радиоприемника заработи на УКВ и мога да кажа че ремонта е завършен но с недостатък че няма променлива селективност в АМ обхвата.

 

ПОЛЕЗНИ ВРЪЗКИ

Начален сайт "САНДЪЦИТЕ" Библиотека "Сандъците"
ОТГОВОРНОСТИ: Всички мнения във ФОРУМА са лични мнения на техните автори и не отразяват официалното становище на собствениците му.
   Copyright: Освен ако не е посочено друго, съдържанието на този сайт е лицензирано под:
  Creative Commons Attribution License.
  Текстът на договора за ползване на български
Copyright © 2011 - Сандъците - сайт и форум за стара електроника - За контакти  

Партньори:  | Форум за конспирации, уфология и мистика | Кактус БГ |