Благодаря на ludma за хубавия подарък.
10 мин след като се прибрах, счупената му кутия е наместена и залепена.


1-во нямах Батерия, Но на слота му пише, че работи с напрежения от 3,5 до 4,7в , за това Сложих в една кутийка 3 батерии от 1,5 в и докарах към 4,5 в.
Интересно е че кабелчетата за закачване към батерията са с обърнати цветове- синия е за + а червения за -, но това ме бърка само при омметъра, та няма да го коментирам.
При измерване на Право напрежение Работи с голяма грешка, даже намален напълно от врътката на системата, като меря 1,5в батерия, не мога да го смъкна под 2 в на скалата ?!?

При измерване на променливо напрежение на един от разделителните ми трансформатори , което е 180-200 волта се показва истинския проблем, НА Обхвати 250 и 500волта , пълни скалата - тоест отчита повече от 500в, като реално подавам максимум 200. На обхват 1000в- показва 750в, пак релано подавам 200в максимум..
Къде ли е белята? Някой който е борил такива, као може да подаде едно рамо по въпроса?

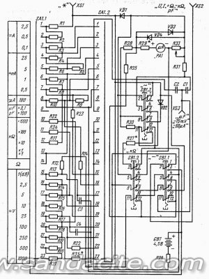
Схемата и елементната база са това :
http://radio-hobby.org/modules/news/article.php?storyid=755прикачвам само схемата, не знам по кой от 2-та варианта е направен..


Списъка с елементите се вижда в таблица на линка, просто не знам как да ги подредя ва таблица и тук, но е достатъчно ясно като се погледне схемата...
Позиционное
обозначение
Наименование
Число,
шт.
Примечание
R1 0,08 ±0,0002 Ом провод МнМц-3-12 1 Шунт
R2 0,32 ±0,001 Ом, провод МнМц-3-12 1 Шунт
R3 1,64-0,005 Ом, провод ПЭМС 0,5
R4 6±0,018 Ом, провод ПЭМС 0,3
R5 2±0,01 Ом, провод ПЭМС 0,3
R6 30±0,05 Ом, провод ПЭМС 0,25
R7 150±0,5 Ом, провод ПЭМС 0,1
R8 МЛТ-0,5-100 Ом ±10% 2 Суммарное сопротивление
200±1 Ом
R9 МЛТ-0,5-300 Ом ±5% 2 Суммарное сопротивление
600±3 Ом
R10 МЛТ-0,-5-430 Ом ±5%
МЛТ-0,5-560 Ом ±5% 1
1 Суммарное сопротивление
1000 ±5 кОм
R11 МЛТ-0,5-2.4 кОм±5%
МЛТ-0,5-4,3 кОм±5% 1
1 Суммарное сопротивление
4440 ±22, Ом
R12 МЛТ-0,5-4,3 кОм±5% 2 Суммарное сопротивление
8570 ±42 Ом
R13 МЛТ-0,5-4,3 кОм±5%
МЛТ-0,5-5,6 кОм±5% 1
1 Суммарное сопротивление
9970 ±50 Ом
R14 МЛТ-0,5-15 кОм±Ю% 2 Суммарное сопротивление
30±0,15 кОм
R15 МЛТ-0,5-20 кОм±5%
МЛТ-0,5-30 кОм±5% 1
1 Суммарное сопротивление
50 ±0,25 кОм
R16 МЛТ-0,5-43 кОм±5%
МЛТ-0,5-56 кОм±5% 1
1 Суммарное сопротивление
100±0,5 кОм
R17 МЛТ-0,5-150 кОм+10% 2 Суммарное сопротивление
300±1,5 кОм
R18 МЛТ-0,5-750 кОм±5% 2 Суммарное сопротивление
1500±7,5 кОм
R19 МЛТ-0,5-1,5 МОм±10% 2 Суммарное сопротивление
3000±15 кОм
R20 МЛТ-0,5-2 М0м±5%
МЛТ-0,5-3 М0м±5% 1
1 Суммарное сопротивление
5±0,025 МОм
R21 МЛТ-0,5-2 МОм±5%
МЛТ-0,5-3 М0м±5 2
2 Суммарное сопротивление
10±0,05 МОм
R22 МЛТ-0,5-200 кОм±5%
МЛТ-0,5-300 кОм±5% 1
1 Суммарное сопротивление
500±2,5 кОм
R23 24±0,1 Ом, ПЭМС 0,2 1 Допускается замена
на МЛТ-0,5-24 Ом ±5%
R24 МЛТ-0,5-820 Ом ±10% 2 Суммарное сопротивление
1650±8 Ом
R25 МЛТ-0,5-430 ОМ ±5%
МЛТ-0,5-470 Ом ±5% 1
1 Суммарное сопротивление
900±5 Ом
R26 МЛТ-0,5-270 Ом ±5%
МЛТ-0,5-220 Ом ±10% 1
1 Суммарное сопротивление
490±2 Ом
R27* МЛТ-0,5-(1...3) кОм±5% 1
R28 МЛТ-0,5-1,5 кОм±10% 2 Суммарное сопротивление
760±3,5 Ом
R29 До 260 Ом ПЭМС-0,1 1
R30 МЛТ-0,5-620 Ом ±5% 2 Суммарное сопротивление
1240±4 Ом
R31 МЛТ-0.5-1,2 кОм±5% 1
R32 МЛТ-0.5-30 кОм±Ю% 1
R33 СПЗ-9а-6,8 кОм±20% 1
R34 МЛТ-0,5-1.2 кОм±10% 1
R35 МЛТ-0,5-(22...33) кОм±5% 1
Диоды
VD1, VD2 Д9Д 2 Допускается замена
на Д9А. Д9Д
VD3, VD4 Д103М 2 Допускается замена
на Д104, Д108
Конденсаторы
C1 КБГ-И-200-0,05±5%
C2 КСО-6-500-Б-3900±5%
C3 КСО-1-250-330±5%
C4 КСО-1-250-100 ±5%