| Начален сайт Сандъците  | "Библиотека Сандъците" | МОЖЕ ДА ПОДКРЕПИТЕ ФОРУМА С ДАРЕНИЕ >ТУК<

Автор Тема: Въпроси по Ремонт на Руски мултимер Ц4315  (Прочетена 13547 пъти)

0 Потреб. и 1 Гост преглежда(т) тази тема.

Неактивен Pichaga933

  • баш Пич
  • Глобален модератор
  • Адронен колайдер
  • *****
  • Публикации: 3484
  • Населено място: София
Благодаря на ludma за хубавия подарък.
10 мин след като се прибрах, счупената му кутия е наместена и залепена.
28254-028256-1
1-во нямах Батерия, Но на слота му пише, че работи с напрежения от 3,5 до 4,7в , за това Сложих в една кутийка 3 батерии от 1,5 в и докарах към 4,5 в. 
Интересно е че кабелчетата за закачване към батерията са с обърнати цветове- синия е за + а червения за -, но това ме бърка само при омметъра, та няма да го коментирам.


При измерване на  Право напрежение  Работи с голяма грешка, даже намален напълно от врътката на системата, като меря 1,5в батерия, не мога да го смъкна под  2 в на скалата ?!?  :o

При измерване на променливо напрежение на един от разделителните ми трансформатори , което е 180-200 волта  се показва истинския проблем, НА Обхвати   250 и 500волта , пълни скалата - тоест отчита повече от 500в, като реално подавам максимум 200. На обхват 1000в-  показва 750в, пак релано подавам 200в максимум..

Къде ли е белята?  Някой който е борил такива, као може да подаде едно рамо по въпроса?  :)

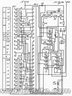
Схемата и елементната база са това :
http://radio-hobby.org/modules/news/article.php?storyid=755

прикачвам само схемата, не знам по кой от 2-та варианта е направен..
28250-228252-3

Списъка с елементите се вижда в таблица на линка, просто не знам как да ги подредя ва таблица и тук, но е достатъчно ясно като  се погледне схемата... :o
Позиционное   

обозначение
   Наименование    

Число,

шт.
   Примечание
R1    0,08 ±0,0002 Ом провод МнМц-3-12 1         Шунт
R2    0,32 ±0,001 Ом, провод МнМц-3-12 1         Шунт
R3    1,64-0,005 Ом, провод ПЭМС 0,5         
R4    6±0,018 Ом, провод ПЭМС 0,3         
R5    2±0,01 Ом, провод ПЭМС 0,3         
R6    30±0,05 Ом, провод ПЭМС 0,25         
R7    150±0,5 Ом, провод ПЭМС 0,1         
R8    МЛТ-0,5-100 Ом ±10%    2    Суммарное сопротивление
200±1 Ом
R9    МЛТ-0,5-300 Ом ±5%    2    Суммарное сопротивление
600±3 Ом
R10    МЛТ-0,-5-430 Ом ±5%
МЛТ-0,5-560 Ом ±5%    1
1    Суммарное сопротивление
1000 ±5 кОм
R11    МЛТ-0,5-2.4 кОм±5%
МЛТ-0,5-4,3 кОм±5%    1
1    Суммарное сопротивление
4440 ±22, Ом
R12    МЛТ-0,5-4,3 кОм±5%    2    Суммарное сопротивление
8570 ±42 Ом
R13    МЛТ-0,5-4,3 кОм±5%
МЛТ-0,5-5,6 кОм±5%    1
1    Суммарное сопротивление
9970 ±50 Ом
R14    МЛТ-0,5-15 кОм±Ю%    2    Суммарное сопротивление
30±0,15 кОм
R15    МЛТ-0,5-20 кОм±5%
МЛТ-0,5-30 кОм±5%    1
1    Суммарное сопротивление
50 ±0,25 кОм
R16    МЛТ-0,5-43 кОм±5%
МЛТ-0,5-56 кОм±5%    1
1    Суммарное сопротивление
100±0,5 кОм
R17    МЛТ-0,5-150 кОм+10%    2    Суммарное сопротивление
300±1,5 кОм
R18    МЛТ-0,5-750 кОм±5%    2    Суммарное сопротивление
1500±7,5 кОм
R19    МЛТ-0,5-1,5 МОм±10%    2    Суммарное сопротивление
3000±15 кОм
R20    МЛТ-0,5-2 М0м±5%
МЛТ-0,5-3 М0м±5%    1
1    Суммарное сопротивление
5±0,025 МОм
R21    МЛТ-0,5-2 МОм±5%
МЛТ-0,5-3 М0м±5    2
2    Суммарное сопротивление
10±0,05 МОм
R22    МЛТ-0,5-200 кОм±5%
МЛТ-0,5-300 кОм±5%    1
1    Суммарное сопротивление
500±2,5 кОм
R23    24±0,1 Ом, ПЭМС 0,2    1    Допускается замена
на МЛТ-0,5-24 Ом ±5%
R24    МЛТ-0,5-820 Ом ±10%    2    Суммарное сопротивление
1650±8 Ом
R25    МЛТ-0,5-430 ОМ ±5%
МЛТ-0,5-470 Ом ±5%    1
1    Суммарное сопротивление
900±5 Ом
R26    МЛТ-0,5-270 Ом ±5%
МЛТ-0,5-220 Ом ±10%    1
1    Суммарное сопротивление
490±2 Ом
R27*    МЛТ-0,5-(1...3) кОм±5%    1    
R28    МЛТ-0,5-1,5 кОм±10%    2    Суммарное сопротивление
760±3,5 Ом
R29    До 260 Ом ПЭМС-0,1    1    
R30    МЛТ-0,5-620 Ом ±5%    2    Суммарное сопротивление
1240±4 Ом
R31    МЛТ-0.5-1,2 кОм±5%    1    
R32    МЛТ-0.5-30 кОм±Ю%    1    
R33    СПЗ-9а-6,8 кОм±20%    1    
R34    МЛТ-0,5-1.2 кОм±10%    1    
R35    МЛТ-0,5-(22...33) кОм±5%    1    
           Диоды
        
VD1, VD2    Д9Д    2    Допускается замена
 на Д9А. Д9Д
VD3, VD4    Д103М    2    Допускается замена
 на Д104, Д108
         Конденсаторы
        
C1    КБГ-И-200-0,05±5%         
C2    КСО-6-500-Б-3900±5%         
C3    КСО-1-250-330±5%         
C4    КСО-1-250-100 ±5%


« Последна редакция: 17 Април, 2015, 22:56:26 от Gabo »
Форум Сандъците Forum Sandacite
http://www.sandacite.com

Неактивен lz2xl

  • Глобален модератор
  • Адронен колайдер
  • *****
  • Публикации: 3723
  • Населено място: Варна
Re: Въпроси по Ремонт на Руски мултимер Ц4315
« Отговор #1 -: 17 Април, 2015, 22:41:56 »
Проверяваш всички съпротивления,особенно катушките.Проблема който описваш е типичен за тоя тип прибори.По грешка е включен на омметър и е мерено напрежение.Аз имам такъв и сам съм си го правил тоя номер нееднократно.Важное да разпояваш по единия край преди измерване иначе може да пропуснеш прекуснатото съпротивление.Прибора е много стабилен.

Неактивен Pichaga933

  • баш Пич
  • Глобален модератор
  • Адронен колайдер
  • *****
  • Публикации: 3484
  • Населено място: София
Re: Въпроси по Ремонт на Руски мултимер Ц4315
« Отговор #2 -: 17 Април, 2015, 22:51:37 »
Цитат
катушките
това какво значи?


За сега откачих и измерих диодите, здрави  са. 

От съпротивленията които са горе зад системата, на кафявия текстолит, Имаше едно 680 ома по надпис което на мерене дава 550 ома, замених го с отговарящо.   и 2 броя 620 0мови , които са реално 650 и 680 ома..., оставих , ги

Не виждам нищо пробило или прекъснало, явно трябва да мина на рейките долу ...

Чудя се дали някой от 4 те кондензатора може да го дава проблема, Но няма с какво да ги измеря дали за читави...
« Последна редакция: 17 Април, 2015, 22:58:14 от Gabo »
Форум Сандъците Forum Sandacite
http://www.sandacite.com

Неактивен ONZI

  • Адронен колайдер
  • *****
  • Публикации: 1055
  • Населено място: Севлиево
  • Митко Матев 0886739549
Re: Въпроси по Ремонт на Руски мултимер Ц4315
« Отговор #3 -: 17 Април, 2015, 22:58:42 »
това какво занчи?

катушка-бобина (руски)
Имал е в предвид навитите на макарички съпротивления
« Последна редакция: 17 Април, 2015, 23:00:15 от Gabo »

Неактивен lz2xl

  • Глобален модератор
  • Адронен колайдер
  • *****
  • Публикации: 3723
  • Населено място: Варна
Re: Въпроси по Ремонт на Руски мултимер Ц4315
« Отговор #4 -: 17 Април, 2015, 23:03:14 »
В никакъв случай не сменяй съпротивления който се различават малко от означените по схемата.Голяма част от тях са подборни и се подбират при настройката на прибора.Търси прекъснало.Търси някъде където е стрелката,по мой спомен там прекъсваха.На външен вид не си личи.

Неактивен Pichaga933

  • баш Пич
  • Глобален модератор
  • Адронен колайдер
  • *****
  • Публикации: 3484
  • Населено място: София
Re: Въпроси по Ремонт на Руски мултимер Ц4315
« Отговор #5 -: 17 Април, 2015, 23:07:40 »
Ще го сложа оригиналния , няма страшно, да стигнемо до там,.

Междувремнно се оказа че C3 не е запоен във връзката си с С4...  Понеже е в изолацинонна тръбичка и  май не са го догледали в завода, излезе свободно  и няма следи от калай по него хич... ЗАпоих го, проблема оства.

Търсенето продължава...
Форум Сандъците Forum Sandacite
http://www.sandacite.com

Неактивен lz2xl

  • Глобален модератор
  • Адронен колайдер
  • *****
  • Публикации: 3723
  • Населено място: Варна
Re: Въпроси по Ремонт на Руски мултимер Ц4315
« Отговор #6 -: 17 Април, 2015, 23:14:48 »
Тия прибори са ги правили в няколко различни завода в бившия СССР и понякога се различават малко в схемата и конструкцията си.Има две схеми.

Неактивен Pichaga933

  • баш Пич
  • Глобален модератор
  • Адронен колайдер
  • *****
  • Публикации: 3484
  • Населено място: София
Re: Въпроси по Ремонт на Руски мултимер Ц4315
« Отговор #7 -: 18 Април, 2015, 12:01:00 »
В случая , моята е Горната от 2 те,  които ТИ си дал.
Форум Сандъците Forum Sandacite
http://www.sandacite.com

Неактивен lz2xl

  • Глобален модератор
  • Адронен колайдер
  • *****
  • Публикации: 3723
  • Населено място: Варна
Re: Въпроси по Ремонт на Руски мултимер Ц4315
« Отговор #8 -: 18 Април, 2015, 12:51:25 »
Аз сам си бях вкарал такъв автогол,прибора на омметър а взех да меря напрежение и го гръмнах.Точно това взе да прави,показва напрежение по голямо от реалното.Наложи се да проверя всички разистори монтирани на рейките.

Неактивен Pichaga933

  • баш Пич
  • Глобален модератор
  • Адронен колайдер
  • *****
  • Публикации: 3484
  • Населено място: София
Re: Въпроси по Ремонт на Руски мултимер Ц4315
« Отговор #9 -: 18 Април, 2015, 13:44:47 »
Едва дали помниш кой се е издънил точно...
Форум Сандъците Forum Sandacite
http://www.sandacite.com

Неактивен lz2xl

  • Глобален модератор
  • Адронен колайдер
  • *****
  • Публикации: 3723
  • Населено място: Варна
Re: Въпроси по Ремонт на Руски мултимер Ц4315
« Отговор #10 -: 18 Април, 2015, 16:10:23 »
Където е стрелката на снимката,при мен прибора беше на омове Х1.Някъде там на лявата рейка най-отдолу като гледаш прибора отзад.

Неактивен Pichaga933

  • баш Пич
  • Глобален модератор
  • Адронен колайдер
  • *****
  • Публикации: 3484
  • Населено място: София
Re: Въпроси по Ремонт на Руски мултимер Ц4315
« Отговор #11 -: 18 Април, 2015, 20:39:20 »
Да , там премерих, разкачвах и премерих всичко от лявата страна и от дясната страна С изаключение на R 19, 20 и 21, понеже включват 2М и по-големи съпротивления които , китайския ми мултимер не може да хване...  :o

И съм в парадокс, за да видя дали са читави трабва да си намеря мултимер, който може да ги измери, тоест пак руски аналогов... :D

Понеже проблема почва от Обхвата на R19 а той е съставен от 1м и 2м,  като 1м се измерва читав, мисля да заменя 2 м с Друг и да вядя какво ще излезе...

ПП : Чудя се тези бобинки дето са навити на  един шиш дали са читави, Индуктивности ли са или резистори?
Форум Сандъците Forum Sandacite
http://www.sandacite.com

Неактивен lz2xl

  • Глобален модератор
  • Адронен колайдер
  • *****
  • Публикации: 3723
  • Населено място: Варна
Re: Въпроси по Ремонт на Руски мултимер Ц4315
« Отговор #12 -: 18 Април, 2015, 21:02:26 »
Нали ти казахоще в началото.Тия катушки,макарички икакто и да се наричат мери като начало.Това са жични съпротивления.Един даскал едно време казваше"Съпротивленията са инат чаркове" :) Особенно жичните.Обаче ги разпоявай че може да те подведе.

Неактивен chav_chav

  • Квантов генератор
  • ****
  • Публикации: 641
Re: Въпроси по Ремонт на Руски мултимер Ц4315
« Отговор #13 -: 20 Април, 2015, 11:29:01 »
Ако ти е възможно,първо си направи една схема на прибора като превключиш на обхват на съпротивление,на по -малките стойности.Получава се една опростена схема на прибора ,която бързо те насочва към съмнителните елементи.Поне аз така правя.Ще установиш,че резисторите
са два вида-едни които са последователно на измервателната система и едни които са паралелно.
Големите килооми и мегаомите ги изключваш като заподозрени и работата се свежда до десеттина резистора.Дано да съм бил достатъчно ясен.Ако прибора беше ТЛ-4 направо ще ти кажа кои са виновниците.

 

ПОЛЕЗНИ ВРЪЗКИ

Начален сайт "САНДЪЦИТЕ" Библиотека "Сандъците"
ОТГОВОРНОСТИ: Всички мнения във ФОРУМА са лични мнения на техните автори и не отразяват официалното становище на собствениците му.
   Copyright: Освен ако не е посочено друго, съдържанието на този сайт е лицензирано под:
  Creative Commons Attribution License.
  Текстът на договора за ползване на български
Copyright © 2011 - Сандъците - сайт и форум за стара електроника - За контакти  

Партньори:  | Форум за конспирации, уфология и мистика | Кактус БГ |