Имам си ей такова чудо от Алиекспрес. Пише 150 вата изход при макс 6А, това е вярно при 24v вход и 32v изход.
При 12v входящо издържа максимум 90W. Изгаря вече два пъти заради 300 ватово инверторче (12-220). Пусна лаптопа за заряд и край с него. Реших да си направя друго подобно с по-голяма мощност.
Друг е въпроса че ако се изпържи отново,ще е по лесно за ремонт. При качествени ферити,драйвер и още малко доработка ще работи и на 15-20А при 24v.С малък радиатор има нужда от вентилаторно охлаждане.
Феритите са два броя стандартни жълти от импулсни дросели на 350w компютърни захранвания (нямах качествени подръка).

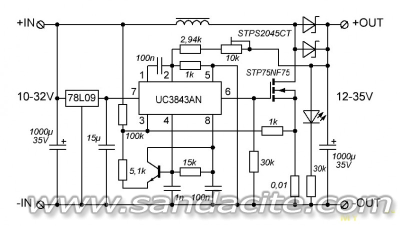
Схема на китайчето.

Ограденото в червено на схемата е допълнението към на стандартното китайско изпълнение за 2 мосфета. Добавено е върху платката.

Платка с всички нанесени елементи.
invertor-12-32v-10A.zip (32.61 kB - свалено 71 пъти.)

Пределно ми е ясно че има други хубави схеми
Краен резултат: