| Начален сайт Сандъците  | "Библиотека Сандъците" | МОЖЕ ДА ПОДКРЕПИТЕ ФОРУМА С ДАРЕНИЕ >ТУК<

Автор Тема: Луминисцентна лампа на 12V  (Прочетена 29352 пъти)

0 Потреб. и 2 Гости преглежда(т) тази тема.

Неактивен radio-hobi

  • Адронен колайдер
  • *****
  • Публикации: 1063
  • Населено място: София
Луминисцентна лампа на 12V
« -: 29 Октомври, 2014, 20:33:24 »
Трябва ми за да "запаля" енергоспестяващи лампи с повредена електроника .
В нета има хиляди схеми ,но ако някой е изпробвал конкретна нека сподели .  :)
Имам доста подръчни чарколяци от компютърни захранвани и т.н.

Неактивен origo

  • Адронен колайдер
  • *****
  • Публикации: 3507
  • Населено място: София
Re: Луминисцентна лампа на 12V
« Отговор #1 -: 29 Октомври, 2014, 20:52:21 »
И аз ще започвам един такъв проект, препоръчвам ти резонансен осцилатор на Ройер: http://www.electroschematics.com/9238/fluorescent-light-driver/
разгледай линка, доста подробно е писано по въпроса. Правих на скоро ройер осцилатор за получаване на високо напрежение за гайгер-мюлерова тръба, така че може да ти бъда полезен със съвети около проектирането и оживяването на схемата. Феритчета ще вземеш стандартни ЕЕ, примерно Е20 или по-големи от Комет, имат си и макарички, дросел стандартен от Комет също. Ще го направим инверторчето.
Няма нищо по хубаво от старите телевизори, особено за хората които обичат да прекарват свободното си време зад телевизора а не на канапето пред него :) ... и когато вече за нищо не стават пак може да им се намери приложение :D ....

Неактивен styrshel

  • Адронен колайдер
  • *****
  • Публикации: 1611
  • Населено място: Варна
Re: Луминисцентна лампа на 12V
« Отговор #2 -: 29 Октомври, 2014, 21:12:35 »
Двутактните схеми не са подходящи за целта. Блокинг генератора от третата фигура е добре, дори не трябва ферит, може да се навие малко трафче, напр. от радиоточка. Съотношениие 10:1 е достатъчно тъй като импулсите са несиметрични и с достатъчна амплитуда. Абе без донастройки няма да мине! :D

Неактивен ahedproductions

  • Адронен колайдер
  • *****
  • Публикации: 1990
  • Населено място: София
  • LZ1SWE
Re: Луминисцентна лампа на 12V
« Отговор #3 -: 29 Октомври, 2014, 22:20:02 »
http://inverter-circuit.com/inverter-circuit-for-40w-fluorescent-lamp.html - дълги години ми е служила вярно тази схема. С TIP3055 съм я правил. Изменяй броя намотки във вторичната в зависимост от големината на ламбите, така е за 40 ватова тръба.
Лаборатория по електроника и радиотехника "Етер"

Неактивен radio-hobi

  • Адронен колайдер
  • *****
  • Публикации: 1063
  • Населено място: София
Re: Луминисцентна лампа на 12V
« Отговор #4 -: 29 Октомври, 2014, 22:42:51 »
Благодаря на всички за предложенията , събота - неделя ще пробвам .

Неактивен origo

  • Адронен колайдер
  • *****
  • Публикации: 3507
  • Населено място: София
Re: Луминисцентна лампа на 12V
« Отговор #5 -: 30 Октомври, 2014, 17:25:36 »
Двутактните схеми не са подходящи за целта. Блокинг генератора от третата фигура е добре, дори не трябва ферит, може да се навие малко трафче, напр. от радиоточка. Съотношениие 10:1 е достатъчно тъй като импулсите са несиметрични и с достатъчна амплитуда. Абе без донастройки няма да мине! :D
Не отричам че най-често се прави с блокинг генератор. Но няма да се съглася с твърдението че двутактните схеми и в частност Royer осцилатора не са подходящи за целта, давам пример - такива схеми се използват най-често в подсветката на LCD дисплеите, ето документи:
http://www.ti.com/lit/an/slua056/slua056.pdf
Разгледай и този дейташийт, като обърнеш внимание на схемите на приложение:
http://datasheets.maximintegrated.com/en/ds/MAX1739-MAX1839.pdf
Така че не бих казал че е изключение или екзотика да се управлява луминесцентна лампа със студен катод по схема на ройер осцилатор. Той в качеството си на резонансен преобразувател, с превключване в нулата на напрежението, може да осигури по-висока ефективност от блокинг генератора. Освен това през лампата тече истински симетричен променлив ток (за баласт се използва кондензатор във вторичната страна) докато именно несиметрията на импулсите при блокинг генератора може да доведат до несиметрично износване на катодите на луминесцентната лампа и съкратен живот.
Отделно от казуса блокинг генератор или ройер осцилатор, бих препоръчал да навиеш и две намотки за отопление на катодите на тръбичките от енергоспестяващите лампи (ако последните не са прекъснали) защото тези тръбички с извитата си форма и тънкото съединение между отделните части на тръбичката са известни като доста по-трудни за запалване от стандартните прави луминесцентни лампи, та едно подгряване на катодите няма да им се отрази никак зле. В противен случай ще трябва да се осигури по-високо нарежение на ПХ за запалването им.
Няма нищо по хубаво от старите телевизори, особено за хората които обичат да прекарват свободното си време зад телевизора а не на канапето пред него :) ... и когато вече за нищо не стават пак може да им се намери приложение :D ....

Неактивен pansim

  • Квантов генератор
  • ****
  • Публикации: 656
  • Населено място: Сандански
Re: Луминисцентна лампа на 12V
« Отговор #6 -: 31 Октомври, 2014, 08:39:13 »
Ориго е прав.
Ако търсим дълъг живот на луминисцентната лампа е задължително да се ползува двутактна схема.
Ако е само за къмпинг два пъти в годината, се търси най - лесно решение, блокинг генератор
http://iza99.com/
Българска заваръчна техника с 5 години гаранция
Ремонт на заваръчно оборудване - 0887607722

Неактивен origo

  • Адронен колайдер
  • *****
  • Публикации: 3507
  • Населено място: София
Re: Луминисцентна лампа на 12V
« Отговор #7 -: 03 Ноември, 2014, 19:52:31 »
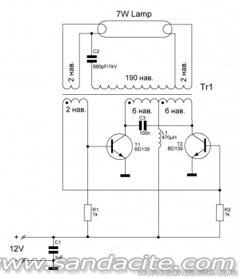
Темата за луминесцентната лампа на 12 волта ускори създаването на инвертора който така или иначе бях замислил, в следващите няколко мнения ще публикувам подробно описание, схема и резултати от тестването на създадения от мен резонансен ZVS Royer осцилатор. Схемата по която съм изпълнил инвертора е следната:
20457-0

На нея са нанесени намотъчните данни за трансформатора. Магнитопровода се състои от два ферита е Е25 от Комет: http://store.comet.bg/Catalogue/Product/25662/#e30%3D
Макарата също е от Комет:
http://store.comet.bg/Catalogue/Product/29158/
Използваната макара е двусекционна. Първичната намотка, както и намотките за обратна връзка и отопление на катодите са изработени от лакиран бобинажен проводник с диаметър 0.6мм, такъв имах, има прозорец и за по-дебел проводник, така че е препоръчително да се навива с по-дебел за по-висока ефективност. Двете първични са навити бифилярно. Върху тях слой изолация от хартиено тиксо, и е навита намотката за обратна връзка състояща се от две навивки. Всичко това е в първата секция на макарата. Във втората секция е навита вторичната намотка. Тя е с проводник с диаметър 0.2мм, на всеки 60 навивки (около два слоя) се слага слой изолация от хартиено тиксо. Върху вторичната отново дебел слой изолация с хартиено тиксо и отгоре са навити двете отоплителни намотки от проводник с диаметър 0.6мм. Те трябва да бъдат добре изолирани една спрямо друга. Не може да се разчита само на лаковото покритие при 400 волта пикови потенциални разлики. Транзисторите които съм използвал са BD139, като може да се използва произволен бърз транзистор с колекторно напрежение 100 и повече волта и усилване по ток препоръчително над 100. Ако се използват транзистори с по-малко усилване по ток трябва да се намали стойността на резисторите в базите, което увеличава консумацията. Резонансния кондензатор в първичната намотка трябва да е качествен примерно MKP защото в първичния резонансен кръг циркулират токове от порядъка на 1 ампер пиково. Баластния кондензатор във вторичната намотка се подбира по стойност в зависимост от мощността на лампата, като при 680 пикофарада се получава мощност в лампата около 7 вата. До около 2 нанофарада може да се увеличи стойността на кондензатора за по-мощните тръби. Кондензатора е препоръчително да е качествен FKP например. Дросела в първичната страна е от комет: http://store.comet.bg/Catalogue/Product/5021538/ 470 микрохенри, и е най-слабото звено във схемата. Има най-много концентрирани загуби в него заради високото му омическо съпротивление, може да се навие дросел с по-дебел проводник, но трябва да е на отворен магнитопровод, или ако е затворен трябва да е с достатъчно голяма междина за да е сигурно че не се насища. Като цяло до мощности от порядъка на 12 вата този от Комет става, но се губи около половин ват в него. Схемата в този си вид без модификации е способна да отдаде около 12-15 вата в тръбата, като за по-големи мощности е необходимо да се преизчисли трансформатора. При по-големи стойности на кондензатора последователно на тръбата може да се наложи да се увеличи стойността и на първичния резонансен кондензатор. Разбира се всичко това води и до спадане на работната честота, която за 7 ватовата лампа е 40 kHz. Схемата е тествана с извита тръба от енергоспестяваща лампа 11 вата и с права луминесцентна пура 40см. 15 вата. И в двата случая се наблюдава безпроблемно мигновенно запалване на лампата при подаване на захранването.  Ето и снимки и резултати от тестването:
Тук свети тръбичката от енергоспестяваща крушка, консумирайки 8.5 вата от захранващия източник:
20425-1 20429-2
тук свети пурата консумирайки 10 вата:
20427-3
Тук сравнявам светенето на тръбичката от енергоспестяваща лампа със светенето на същата такава енергоспестяваща лампа от която е тръбичката:
20433-4
горната тръбичка е към инвертора на 12 волта. Експонацията е нагласена така че да не се преекспонира нито една от двете тръби и да може да се сравнява интензитета им.
Тестването е извършено с осцилоскоп, като са снети осцилограмите в следните точки от схемата:


20435-5


20459-6
срещаме се след минути в следващото мнение поради достигнат лимит на прикачените изображения.
« Последна редакция: 03 Ноември, 2014, 22:06:02 от lz2xl »
Няма нищо по хубаво от старите телевизори, особено за хората които обичат да прекарват свободното си време зад телевизора а не на канапето пред него :) ... и когато вече за нищо не стават пак може да им се намери приложение :D ....

Неактивен origo

  • Адронен колайдер
  • *****
  • Публикации: 3507
  • Населено място: София
Re: Луминисцентна лампа на 12V
« Отговор #8 -: 03 Ноември, 2014, 20:05:10 »
20437-0 20439-1

20441-2 20443-3

20445-4 20447-5

Осцилограмите сами говорят за себе си. Следващата част от тестването е измерване на тока и напрежението през тръбата за изчисление на изходната мощност, измерванията са осъществени с TRUE-RMS прецизен мултимер Hewlett-Packard 3468A, който по документация измерва истинска ефективна стойност на сигнали с честоти до 300kHz. Ето стойностите за тока и напрежението върху тръбата:
20449-6 20451-7
Получават се 6.65W мощност върху тръбата без отоплнието на катодите. Входната мощност с отоплението на катодите е 8.73W. Получава се КПД 76%, при откачане на отоплението на катодите, входната мощност е 8.16W като изходната остава непроменена, т.е. КПД 81.5%. Т.е. КПД на преобразувателя е 82 процента, като считаме отоплението на катодите за полезна мощност, което според мен от гледна точка на преобразувателя е полезна мощност, от гледна точка на тръбата са загуби. Ето и видеоклип който заснех:
/>
Ако се сетя още нещо ще го добавя. Всякакви въпроси относно изпълнението са добре дошли, с радост ще помогна на всеки който би искал да реализира инвертора по тази схема. Благодаря Ви за вниманието.
Няма нищо по хубаво от старите телевизори, особено за хората които обичат да прекарват свободното си време зад телевизора а не на канапето пред него :) ... и когато вече за нищо не стават пак може да им се намери приложение :D ....

Неактивен radio-hobi

  • Адронен колайдер
  • *****
  • Публикации: 1063
  • Населено място: София
Re: Луминисцентна лампа на 12V
« Отговор #9 -: 03 Ноември, 2014, 20:22:56 »
Благодарности , аз направих набързо ( поради липсата на време покрай 100 курсови задачи ... ) по схемата която показа ahedproductions , навих трафа на феритна пръчка и използвах 2N3055 без проблем "пали" извита пуричка от енергоспестяваща лампа ,но не можа да "запали" 8 Вт. пура. Има и доста силно и дразнещо вч. бръмчене ,но както казах всичко направих за 30 мин колкото за постановката . :D
Когато имам повече свободно време задължително ще пробвам тази схема .

Неактивен Pichaga933

  • баш Пич
  • Глобален модератор
  • Адронен колайдер
  • *****
  • Публикации: 3484
  • Населено място: София
Re: Луминисцентна лампа на 12V
« Отговор #10 -: 03 Ноември, 2014, 21:05:11 »
@ origo

Трябва да ти дадат преподавателски пост в ТУ, имаш  дарба за такава дейност.

ПП. с какъв микрофон записваш звука за видеото?
Форум Сандъците Forum Sandacite
http://www.sandacite.com

Неактивен styrshel

  • Адронен колайдер
  • *****
  • Публикации: 1611
  • Населено място: Варна
Re: Луминисцентна лампа на 12V
« Отговор #11 -: 03 Ноември, 2014, 21:11:07 »
Къде е този резонансен кондензатор???

Неактивен origo

  • Адронен колайдер
  • *****
  • Публикации: 3507
  • Населено място: София
Re: Луминисцентна лампа на 12V
« Отговор #12 -: 03 Ноември, 2014, 21:15:15 »
Да бе тамън забелязах че съм го изпуснал в схемата, ето така трябва да изглежда схемата :):
20453-0 20455-1
Ще помоля ако е възможно модератор да замени схемите в първото мнение, с тези, защото времето за редакция вече е изтекло.
Относно преподаването, от юли месец тази година съм докторант в ТУ-София а от октомври водя лабораторните упражнения на 4 групи по две дисциплини. Звука на видеото записвам с вградените микрофони на фотоарапат Canon Power shot SX170 IS много хубав стерео звук записва а и клипа никак не го снима зле според мен.
Също съм забравил да добавя че на челата на феритчетата Е25 е поставена въздушна междина с дебелината на един лист офис хартия, дебелина 0.1мм предполагам.
« Последна редакция: 03 Ноември, 2014, 21:27:34 от origo »
Няма нищо по хубаво от старите телевизори, особено за хората които обичат да прекарват свободното си време зад телевизора а не на канапето пред него :) ... и когато вече за нищо не стават пак може да им се намери приложение :D ....

Неактивен Ангел Симеонов

  • Квантов генератор
  • ****
  • Публикации: 829
  • Населено място: Русе
Re: Луминисцентна лампа на 12V
« Отговор #13 -: 03 Ноември, 2014, 21:34:07 »
Преди много години когато имаше режим на тока и моите синове бяха бебета 1986 беше много наложително изработването на инвертори за луминисцентни лампи.Видовете луминисцентни лампи се свеждаха поне при нас само до прави тръби най-често 20 и 40 вата.Експериментирал съм доста схеми и ще споделя моя опит.Относно транзисторите-най-добре се държи кт805 метален корпус.Сърцевините са феритни и разнообразни.Много инвертори съм направил като съм използвал трансформатор за хоризонтално отклонение от чернобели лампови телевизори.Оставя се товарната бобина и се премахва повишаващата.На нейно място се навиват навивките от първичната 11 и ов 6.Избират се подходящи изводи за лампата.Това вмествах в кутии от релета заедно с транзисторите и другите елементи.Друга идея която съм реализирал-помествам инвертора в корпуса на комутатор за Зил като използвам корпуса за охладител,трансформатора вече е ш ферит.Преработвал съм инвертори които се използваха във вагоните на бдж за да светят на 12 волта.При тях има подгряване на електродите.Попадал съм на три модификации.От онова време още си стои аварийната инсталация в 4 тирите стаи на луминисцентни лампи 14 вата донесени от Румъния,тоалетната,банята коридора и терасата с лампи нажежаема жичка железноникеловия акумулатор в кухнята до дивана.Поддържам всичко изправно и го използвам два пъти в годината при профилактика на трансформаторите.Но много се увлякох-най важдото за инверторите:
да запалват устойчиво лампата било голяма или малка поне от 8 до 20 волта без да се налага въртене на тримери
един добре оразмерен инвертор преди запалване вдига ток и след като светне лампата ТОКЪТ ПАДА А НЕ СЕ УВЕЛИЧАВА
за да се постигне това трябва да се работи при по-голяма честота и да има въздушна междина
най добре се палят 20 ватовите лампи,най проблемни са 80 ватовите
лампата трябва да свети ЦЯЛАТА
да свети с интензитет който не се различава от този със стартерно дроселно палене
подгряването се използва най-вече при палене при ниски температури
при високите честоти се използва лицендрат получен от усукването на повече проводници
резонансните кондензатори са много важни-много от тях греят много добре се държат тръбните
« Последна редакция: 03 Ноември, 2014, 21:40:50 от Ангел Симеонов »

Неактивен origo

  • Адронен колайдер
  • *****
  • Публикации: 3507
  • Населено място: София
Re: Луминисцентна лампа на 12V
« Отговор #14 -: 03 Ноември, 2014, 21:43:11 »
Напрежението се вдига преди запалване, и пада след запалване, като постепенно в първата минута намалява до достигане на работния режим на тръбата, благодарение на това се увеличава и леко тока в този интервал от време, но увеличението на тока не се дължи на инвертора, а на процесите в тръбата, освен това силата на светене се увеличава в първата минута от работата, не толкова заради вдигащия се ток, който не се вдига чак толкова значително, колкото по-скоро заради други процеси вътре в тръбата, не ги познавам много детайлно, но при ниски температури светлинния поток на луминесцентните тръби намалява. Относно схемите, щом не можеш да сложиш новите на местата на старите не махай старите, макар че се чудя наистина ли няма начин, от бутона за редакция, а не този за бърза редакция (не знам как е организирано в модераторския акаунт) няма ли възможност да се пипат прикачените файлове. Една редакция да изтриеш схемите, и после с втора редакция да прибавиш две нови... не знам, така съм го правил преди да ми изтече времето за редакция, но така или иначе, ако не става карай, да остане така както е.
Подгряването на катодите е полезно наистина при ниски температури, и води до удължаване на живота на лампата, след като вече е запалена лампата е излишно, затова си мисля че няма да е излишно една модификация към схемата да се свържат два NTC термистора последователно на отоплителните вериги, за да може след няколко секунди да намалее отоплителния ток, от там и загубите.
Няма нищо по хубаво от старите телевизори, особено за хората които обичат да прекарват свободното си време зад телевизора а не на канапето пред него :) ... и когато вече за нищо не стават пак може да им се намери приложение :D ....

 

ПОЛЕЗНИ ВРЪЗКИ

Начален сайт "САНДЪЦИТЕ" Библиотека "Сандъците"
ОТГОВОРНОСТИ: Всички мнения във ФОРУМА са лични мнения на техните автори и не отразяват официалното становище на собствениците му.
   Copyright: Освен ако не е посочено друго, съдържанието на този сайт е лицензирано под:
  Creative Commons Attribution License.
  Текстът на договора за ползване на български
Copyright © 2011 - Сандъците - сайт и форум за стара електроника - За контакти  

Партньори:  | Форум за конспирации, уфология и мистика | Кактус БГ |