| Начален сайт Сандъците  | "Библиотека Сандъците" | МОЖЕ ДА ПОДКРЕПИТЕ ФОРУМА С ДАРЕНИЕ >ТУК<

Автор Тема: Някой да знае нещо за тази платка ???  (Прочетена 4800 пъти)

0 Потреб. и 1 Гост преглежда(т) тази тема.

Неактивен asasas

  • Блуждаещ електрон
  • *
  • Публикации: 22
  • Населено място: Пловдив
 ::)  Мм,неясна за мен платка за Правец 8Х ... прома липсва...Производителя си пада по резултата от делението 22 и 7!
   СМ603Р

Неактивен radocadcam

  • Блуждаещ електрон
  • *
  • Публикации: 20
  • Населено място: Русе
Re: Някой да знае нещо за тази платка ???
« Отговор #1 -: 24 Май, 2019, 22:34:34 »
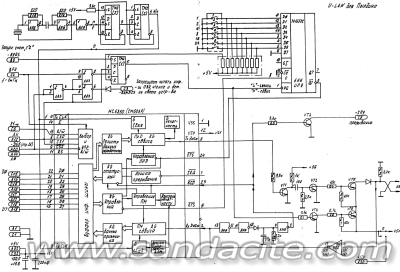
Мрежова карта U-LAN.

Неактивен asasas

  • Блуждаещ електрон
  • *
  • Публикации: 22
  • Населено място: Пловдив
Re: Някой да знае нещо за тази платка ???
« Отговор #2 -: 25 Май, 2019, 00:42:50 »
 :good:  Мдаам,това ще да е...
         http://agatcomp.ru/Pravetz/U_Lan.shtml

         копие на правешкия U-LAN    с тоя аудиконектор и числото Пи си ме затрудни..
         Благодаря!

Неактивен ССТАНЕВ

  • Насочен електрон
  • **
  • Публикации: 83
Re: Някой да знае нещо за тази платка ???
« Отговор #3 -: 02 Юни, 2023, 19:46:30 »
На някой да му се намира схема на платка U-Lan?

Неактивен hris

  • Квантов електрон
  • ***
  • Публикации: 121
Re: Някой да знае нещо за тази платка ???
« Отговор #4 -: 07 Юни, 2023, 17:44:16 »
168136-0
U-LAN платката на ПЪЛДИН601
168138-1
Схемата на един лист:
168140-2
Схемата на два листа:
168142-3168145-4
Документацията текст на руски език преведена:
* U-LAN.zip (10.33 kB - свалено 73 пъти.)

U-LAN мрежов контролер E33.088.047 2.044 P1-89:
168167-6
Сетевая плата U-LAN. Совместная разработка предприятия "Вариант" и комбината "Правец". Производились в Болгарии. До "Варианта" компьютеры Правец в сеть не объединяли. Для экономии средств, чтобы не комплектовать каждый компьютер дисководами, с которыми была страшная напряженка, было принято решение комплектовать учительский компьютер 4-мя(четыремя) дисководами, а ученические загружать через сеть. Система позволяла связать в локальную сеть компьютерный класс на базе Правец 8, и передавать файлы и сообщения между компьютерами. Плата базируется на микросхеме последовательного порта Motorola 6850 и обеспечивает скорость 115 кбит/с. Известно о улучшенной и переработанной версии этой платы под названием ProLAN.
U-LAN мрежова карта. Съвместна разработка на предприятия "Вариант" и завод "Правец". Произведено в България. До "Варианта" компютрите на Правец не бяха включени в мрежата. За да се спестят пари, за да не се оборудва всеки компютър с дискове, с което имаше страшно напрежение, беше решено компютърът на учителя да се оборудва с 4 (четири) диска, а компютрите на учениците да се зареждат по мрежата. Системата даде възможност за свързване на компютърен клас Правец 8 към локална мрежа и прехвърляне на файлове и съобщения между компютрите. Платката е базирана на чип със сериен порт Motorola 6850 и осигурява скорост от 115 kbit/s. Известна е подобрена и преработена версия на тази платка, наречена ProLAN.
* ULANROM.rar (652.18 kB - свалено 74 пъти.)
В архива има няколко версии на фърмуера на платката U-LAN, базирани на ИС тип 2764 (28 пина) или CM7732P (24 пина).

« Последна редакция: 07 Юни, 2023, 18:08:33 от hris »

Неактивен lopesbroko

  • Квантов генератор
  • ****
  • Публикации: 649
  • Населено място: град Добрич
Re: Някой да знае нещо за тази платка ???
« Отговор #5 -: 30 Август, 2023, 10:26:05 »
Много интересна платка! Не влиза в никакъв слот ,използува само захранване!Маже да е някакво тапа нещо??
Имитатор на импулси  или??

Неактивен CVT

  • Адронен колайдер
  • *****
  • Публикации: 1448
Re: Някой да знае нещо за тази платка ???
« Отговор #6 -: 30 Август, 2023, 10:58:14 »
Тази платка не е за PC. Ако беше, щеше да си взема захранването директно от слот, а не чрез тези кабели.

Най-вероятно е била е част от някаква система в която е имало и PC. Трябвало захранване за нея и някой се е сетил за доста хитър начин хем да я захрани от PC-то, хем да я закрепи вътре. Просто е взел метална скоба от паралелна карта и я е завъртял за DB25 буксата.  :bravo:

Неактивен NKK

  • Квантов електрон
  • ***
  • Публикации: 317
  • Населено място: Пловдив
    • eshop-bg
Re: Някой да знае нещо за тази платка ???
« Отговор #7 -: 30 Август, 2023, 11:31:40 »
Цитат
Тази платка не е за PC.

Божа работа, както се казва ;), само разработчика знае какво е било в главата му. Това, че някой е запоил 2 кабелчета не означава, че не е за PC. Погледни страна елементи, там където са кабелчетата е предвидено за Molex конектор. Липсата на слот съединител може да е заради универсалност на платката, с този MAX232 явно е някакъв конвертор от  RS232 към "нещо си" или обратно.
0879 530 578  www.eshop-bg.com

Неактивен lopesbroko

  • Квантов генератор
  • ****
  • Публикации: 649
  • Населено място: град Добрич
Re: Някой да знае нещо за тази платка ???
« Отговор #8 -: 01 Септември, 2023, 13:38:01 »
Тази я намерих в един Правец 16 с българско дъно ИМКО-4
Има петтица от която се използуват две пинчета.Дали не е за работа с касетофон което не ми се вярва или е някаква интерфейсна лан-карта,което е по вероятно защото Правец 16, с касетофон не съм чувал да бачка???
Не съм се заглеждал много в схемата ,но на пръв поглед видях операционче на входа,явно се е ползувало някакво предусилване.

Неактивен CVT

  • Адронен колайдер
  • *****
  • Публикации: 1448
Re: Някой да знае нещо за тази платка ???
« Отговор #9 -: 01 Септември, 2023, 14:32:05 »
Петицата да не е MIDI вход за йоника? Там обаче се използва пин 4 и 5.

Неактивен lopesbroko

  • Квантов генератор
  • ****
  • Публикации: 649
  • Населено място: град Добрич
Re: Някой да знае нещо за тази платка ???
« Отговор #10 -: 01 Септември, 2023, 16:55:33 »
Всичсо знам за всички миди интерфейси.От програми до хардуер.Защото се занимавах с музикантска дейност.
Това няма нищо общо с миди!При миди,сигнала е цифров,използува се 4и5 пин без маса за да не се вкара грешка-шум от масата и стандартно се използуват оптрони във входно идходните устройства така има и галванично разделяне.Маса се взема за ниво от едната букса.Това е друга тема.
Като стигна до платката,че е на една таванска стая, ще обеля лепенката на единия чип да го видим какъв е и ще проследя двата извода на петтицата на къде отиват.

« Последна редакция: 01 Септември, 2023, 17:03:32 от lopesbroko »

 

ПОЛЕЗНИ ВРЪЗКИ

Начален сайт "САНДЪЦИТЕ" Библиотека "Сандъците"
ОТГОВОРНОСТИ: Всички мнения във ФОРУМА са лични мнения на техните автори и не отразяват официалното становище на собствениците му.
   Copyright: Освен ако не е посочено друго, съдържанието на този сайт е лицензирано под:
  Creative Commons Attribution License.
  Текстът на договора за ползване на български
Copyright © 2011 - Сандъците - сайт и форум за стара електроника - За контакти  

Партньори:  | Форум за конспирации, уфология и мистика | Кактус БГ |