Най накрая успях да подкарам и Скарт входа на телевизора. Наложиха се някой доработки включващи к555тм2,к555ла2.
Първо D36 (74LS257) е сменена с 74LS157 заради нейното Z състояние което пречи на черния цвят (може да се ползва и стария чип но се налага да се лепят резистори на изхода.)
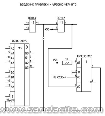
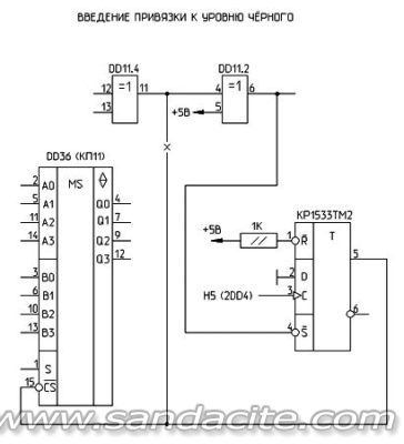
Направена е доработка за черния цвят за да се разпознава правилно сигнала от PAL декодери.

След това е доработен изходния импулс за синхронизация. Оригиналния такъв е три пъти по дълъг от нормалния и не се разпознава от повечето декодери. Ползвах вместо 3-ти чип (LN1) този монтиран на дъното D34(8 и 9 краче). По схемата дават да се ползва D1 но той ми е зает целия.

На скарта е монтирана допълнителна схемичка заради стандартния 75 омов вход.На тази схема е дадено за синхроимпулса да се ползва 20 краче, обаче всъщност е 19. Вероятно при съветските телевизори е работило нормално. Задължително се слага съпротивление от 200-300 ома на 16 краче (+5v),в схемата не е посочено. В противен случай я изгорял скарт или късо на дъното. Там се подават до 2V заради стандарта,в самия телевизор вече има друго съпротивление спрямо маса!.

Синхроимпулса за схемата на Скарта се взима директно от дъното!

Доработките са по тази статия:
http://zxbyte.ru/leningrad_video_out.htmИмам си CGA изход и SCART такъв, Видео(VIDEO) изхода също работи но черно-бяло. Предполагам че все пак сигнала от синхроимпулса не е напълно точен,съпротивленията също не съм ги подбирал,може да иска и допълнителна модификация.Засега толкова
Резултат: