Здравейте колеги!
Реших да споделя своя опит от създаването на маломощен източник на стабилен амплитудно модулиран сигнал с помощта на директен цифров синтез. Въпросната интегрална схема има АЦП с комплементарни токови изходи, чиито изходен ток се регулира с външен резистор. Това ни позволява не само да комбинираме двата изхода с трансформатор, за да получим симетричен спрямо земята сигнал, но и да го модулираме амплитудно, изменяйки стойността на резистора. Методът е описан в апнот на Аналог с номер 423 -
http://www.analog.com/static/imported-files/application_notes/AN-423.pdf .
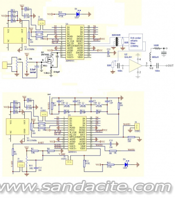
За начало си закупих една платка от ибей - DDS модул с AD9851 (около 12$). Модулът е по класическа схема, включваща 70МХц високочестотен филтър (7 ред Кауер) за премахване на висшите хармонични (яко безмислен!) и верига за формиране на правоъгълни импулси. И двете са ми ненужни за АМ - филтърът е твърде високо по честота, а правоъгълните импулси само ще ми цапат сигнала. За това ги почистих от платката и направих място за други неща.

По-долу може да видите двете схеми - след и преди преработката. Горе е финалния вариант.

Ето и схемата на филтъра, който изчислих с A.A.D.E. Filter Designer 4.0

Трансформаторът е Т1-6Т на Mini Circuits -
http://217.34.103.131/pdfs/T1-6T-KK81.pdf , но може да си навиете ваш на феритно пръстенче без проблеми. Аз мисля да ползвам този генератор до 30 МХц и за това съм сложил толкова широколентово паяче. Иначе за ДВ и СВ става лесно.
Усилвателят е MMIC интегрална схема на Mini Circuits - GALI6+ -
http://217.34.103.131/pdfs/GALI-6+.pdfСложих и един процесор PIC16F88, който да събужда синтезатора и да му задава честота (страшно простичък проект -
http://www.kr1st.com/serialdds.htm , управлява се през сериен порт), в случая 1.2МХц.

Върху синтезатора съм сложил радиатор, от който определено има нужда по принцип. Филтърът е на сменяемо модулче върху цокъл за интегрална схема, за да може да го сменям при нужда с друг диапазонен. Усилвателчето е отдолу на платката, компонентите отгоре са свързани с него. Трансформаторът е запоен направо върху два пада за резистори, които премхнах от платката и за изходната рейка. Между изходните крачета има SMD резистор 50 ома за терминиране на трансформатора.

Това са двата потенциометъра за регулиране - десния е входно ниво звук, а левия е постояннотоково ниво на гейта на транзистора. С него регулираме нивото на носещата. В ляво долу се вижда процесорът.

Генерираната носеща след фитърът и усилвателя (без товар!)

100% модулация! Красота! Иска ми се да го видя на спектър анализатор...

И бюрцето при теста.
Тъй като правих схемата за всякакви честоти от 100кХц до 30МХц използвах такъв трансформатор и такъв изходен усилвател. Има много варианти за опростяване и поевтиняване на схемата, въпреки че трансформаторът е еквивалентен за 8$/5 броя от ибей а усилвателя е демо - пратиха ми 5 бройки ей така. Може да се навие трафче за 10 минути върху едно пръстенче, например Т50-2. А изходното стъпалце може да се изпълни дори и с 2N2222, например така -
http://www.pongrance.com/dds-buffer-sch.jpg . Прослушах схемката на няколко радиоприемника и качеството е перфектно!
Поздрави!
Билян

П.П. За феновете на 50-тте ома - при 50 товар схемката дава 400мВ, или 1.6мW. Следват усилвателни стъпала, може би едно с 2N3886? Входното НЧ напрежение е някъде 240 миливолта.