| Начален сайт Сандъците  | "Библиотека Сандъците" | МОЖЕ ДА ПОДКРЕПИТЕ ФОРУМА С ДАРЕНИЕ >ТУК<

Автор Тема: Генериране на АМ сигнал със синтезатор AD9851  (Прочетена 19294 пъти)

0 Потреб. и 1 Гост преглежда(т) тази тема.

Неактивен ahedproductions

  • Адронен колайдер
  • *****
  • Публикации: 1990
  • Населено място: София
  • LZ1SWE
Здравейте колеги!
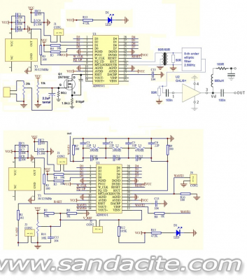
Реших да споделя своя опит от създаването на маломощен източник на стабилен амплитудно модулиран сигнал с помощта на директен цифров синтез. Въпросната интегрална схема има АЦП с комплементарни токови изходи, чиито изходен ток се регулира с външен резистор. Това ни позволява не само да комбинираме двата изхода с трансформатор, за да получим симетричен спрямо земята сигнал, но и да го модулираме амплитудно, изменяйки стойността на резистора. Методът е описан в апнот на Аналог с номер 423 - http://www.analog.com/static/imported-files/application_notes/AN-423.pdf .
За начало си закупих една платка от ибей - DDS модул с AD9851 (около 12$). Модулът е по класическа схема, включваща 70МХц високочестотен филтър (7 ред Кауер) за премахване на висшите хармонични (яко безмислен!) и верига за формиране на правоъгълни импулси. И двете са ми ненужни за АМ - филтърът е твърде високо по честота, а правоъгълните импулси само ще ми цапат сигнала. За това ги почистих от платката и направих място за други неща.
17788-0
По-долу може да видите двете схеми - след и преди преработката. Горе е финалния вариант.
17790-1
Ето и схемата на филтъра, който изчислих с A.A.D.E. Filter Designer 4.0
17792-2
Трансформаторът е Т1-6Т на Mini Circuits - http://217.34.103.131/pdfs/T1-6T-KK81.pdf , но може да си навиете ваш на феритно пръстенче без проблеми. Аз мисля да ползвам този генератор до 30 МХц и за това съм сложил толкова широколентово паяче. Иначе за ДВ и СВ става лесно.
Усилвателят е MMIC интегрална схема на Mini Circuits - GALI6+ - http://217.34.103.131/pdfs/GALI-6+.pdf
Сложих и един процесор PIC16F88, който да събужда синтезатора и да му задава честота (страшно простичък проект - http://www.kr1st.com/serialdds.htm , управлява се през сериен порт), в случая 1.2МХц.
17793-3
Върху синтезатора съм сложил радиатор, от който определено има нужда по принцип. Филтърът е на сменяемо модулче върху цокъл за интегрална схема, за да може да го сменям при нужда с друг диапазонен. Усилвателчето е отдолу на платката, компонентите отгоре са свързани с него. Трансформаторът е запоен направо върху два пада за резистори, които премхнах от платката и за изходната рейка. Между изходните крачета има SMD  резистор 50 ома за терминиране на трансформатора.
17795-4
Това са двата потенциометъра за регулиране - десния е входно ниво звук, а левия е постояннотоково ниво на гейта на транзистора. С него регулираме нивото на носещата. В ляво долу се вижда процесорът.
17797-5
Генерираната носеща след фитърът и усилвателя (без товар!)
17799-6
100% модулация! Красота! Иска ми се да го видя на спектър анализатор...
17801-7
И бюрцето при теста.
Тъй като правих схемата за всякакви честоти от 100кХц до 30МХц използвах такъв трансформатор и такъв изходен усилвател. Има много варианти за опростяване и поевтиняване на схемата, въпреки че трансформаторът е еквивалентен за 8$/5 броя от ибей а усилвателя е демо - пратиха ми 5 бройки ей така. Може да се навие трафче за 10 минути върху едно пръстенче, например Т50-2. А изходното стъпалце може да се изпълни дори и с 2N2222, например така - http://www.pongrance.com/dds-buffer-sch.jpg . Прослушах схемката на няколко радиоприемника и качеството е перфектно!
Поздрави!
Билян  :hi:

П.П. За феновете на 50-тте ома - при 50 товар схемката дава 400мВ, или 1.6мW. Следват усилвателни стъпала, може би едно с 2N3886? Входното НЧ напрежение е някъде 240 миливолта.
« Последна редакция: 01 Септември, 2014, 11:56:07 от ahedproductions »
Лаборатория по електроника и радиотехника "Етер"

Неактивен ahedproductions

  • Адронен колайдер
  • *****
  • Публикации: 1990
  • Населено място: София
  • LZ1SWE
Re: Генериране на АМ сигнал със синтезатор AD9851
« Отговор #1 -: 01 Септември, 2014, 16:00:00 »
Пробвах дали мога да бутна лампа със синтезатора - и още как! Преди време правих експерименти с метален пентод 6П9 като предусилвателна лампа преди Г-807 или ГУ50. Остана ми едно конструктивно блокче, с което и направих експеримент днес. Ето схемата му:
17809-0
Резултатът - над 20 волта връх до връх на трептящия кръг! Повече от достатъчно за Г-807, малко слабо за двойка ГУ50 например, но може да се пробва... 300 волта са и малко множко като предусилвателка на таз ламба, нещо като 150-180 би било по-удачно в случая., но не съм сигурен още.   :writer:
 :hi:
Лаборатория по електроника и радиотехника "Етер"

Неактивен lz2xl

  • Глобален модератор
  • Адронен колайдер
  • *****
  • Публикации: 3722
  • Населено място: Варна
Re: Генериране на АМ сигнал със синтезатор AD9851
« Отговор #2 -: 01 Септември, 2014, 16:04:01 »
За ГУ50 около 35 волта стига да са върху 150 ома :) долу толкова излиза ако са двойка със заземени решетки :) 6П9 е добра лампа.

Неактивен origo

  • Адронен колайдер
  • *****
  • Публикации: 3507
  • Населено място: София
Re: Генериране на АМ сигнал със синтезатор AD9851
« Отговор #3 -: 01 Септември, 2014, 21:13:31 »
Идеята е добра, но не си я доразвил добре според мен. До колкото разбрах генерираш синусоида чрез DDS, защо тогава ще модулираш амплитудата аналогово, а не и нея цифрово от DDS-a? Така вкарваш допълнително аналогово стъпало което не ти трябва а носи своите недостатъци, а имаш DDS от където може да си подбарваш амплитудата. Е, не знам колко битов е ЦАП-а, ако е 8 битов може да се окаже малко мъничко за аудио и тогава идеята ми да се генерира изцяло цифрово АМ сигнала издиша.
Няма нищо по хубаво от старите телевизори, особено за хората които обичат да прекарват свободното си време зад телевизора а не на канапето пред него :) ... и когато вече за нищо не стават пак може да им се намери приложение :D ....

Неактивен ahedproductions

  • Адронен колайдер
  • *****
  • Публикации: 1990
  • Населено място: София
  • LZ1SWE
Re: Генериране на АМ сигнал със синтезатор AD9851
« Отговор #4 -: 02 Септември, 2014, 07:28:06 »
:morning1: origo, моля посъветвай се с този документ - http://www.analog.com/static/imported-files/tutorials/450968421DDS_Tutorial_rev12-2-99.pdf . Освен там, тук - http://www.ni.com/webcast/75/en/ има прекрасен уебкаст по темата, интересен за гледане. Като разбереш какво е DDS, как работи и какъв е чипът, който ползвам - заповядай да го обсъдим.
 :hi:
Лаборатория по електроника и радиотехника "Етер"

Неактивен origo

  • Адронен колайдер
  • *****
  • Публикации: 3507
  • Населено място: София
Re: Генериране на АМ сигнал със синтезатор AD9851
« Отговор #5 -: 02 Септември, 2014, 14:29:11 »
Да, ясно, чипа е специализиран за генериране само на синусоида и не може да се променя амплитудата. DDS иначе значи Direct Digital Synthesizer и е широко понятие включващо генериране на цифров сигнал и изработването му в аналогов вид чрез ЦАП, не изключва възможност за модулиране на амплитудата лично за мен.
Няма нищо по хубаво от старите телевизори, особено за хората които обичат да прекарват свободното си време зад телевизора а не на канапето пред него :) ... и когато вече за нищо не стават пак може да им се намери приложение :D ....

Неактивен ahedproductions

  • Адронен колайдер
  • *****
  • Публикации: 1990
  • Населено място: София
  • LZ1SWE
Re: Генериране на АМ сигнал със синтезатор AD9851
« Отговор #6 -: 03 Септември, 2014, 08:27:00 »
Всички DDS (Direct Digital Synthesis) чипове генерират синусоида. Амплитудата не може да се променя в цифровата част поради самия принцип на DDS генерацията - изграждане на вълна от предварително запазени в акумулаторен регистър  амплитудни стойности за даден фазов ъгъл. Амплитудата може да се "подбарва" на изхода на чипъа, в ЦАП-то, регулирайки изходния му ток. Аудиото тук няма нищо общо с генерирането на сигнала и с това колко битов е ЦАП, с него модулирам токът на ЦАП-а. И не, нямам "аналогово стъпало" в системата, имам съпротивление, управлявано с напрежение, което не внася никакви недостатъци.
Не ти ли е любопитно как работи DDS-a? Ако имаш проблем да го разбереш - аз съм насреща! Ако ти е интересно мога да дам едно рамо с експериментиране. Заповядай при мен в работата (Майчин Дом, МУ-София) в работилницата и всичко ще ти покажа.
Това, което визираш ти е синтезиране на радиосигнал радиосигнал директно в цифровия домейн, което се прави в SDТR предавателите и се осъществява чрез много мощни и бързи ЦАП чипове. Там можеш направо да си "изрисуваш" сигнала цифрово и ЦАП-то ще ти го изкара аналогово. Но това определено не правя аз с това чипе.
Въпреки сходствата двете системи се различават доста. Там има DSP чип, който извършва обработка и синтез на сигнали в цифровия домейн. Тук има просто една памет със стойностти, която въртим по-бързо или по-бавно, в зависимост от желаната честота. Е да, можем да местим и фазата цифрово, но това е. Докато в SDТR си играем с много високи скорости и капацитет за обработка, тук имаме просто един часовников механизъм, казано разговорно.
 :hi:
Лаборатория по електроника и радиотехника "Етер"

Неактивен origo

  • Адронен колайдер
  • *****
  • Публикации: 3507
  • Населено място: София
Re: Генериране на АМ сигнал със синтезатор AD9851
« Отговор #7 -: 03 Септември, 2014, 23:20:41 »
Напълно ясно ми е как работи, и двете ми дипломни работи са свързани с цифровата техника, FPGA и обработка на сигнали, мислех че има възможност да се променя амплитудата с някакъв коефициент но уви. И разредността на ЦАП има общо, ако имаш малка разредност, и теоретично генерираш АМ цифрово ще имаш ниска динамика на аудиото, което за АМ едва ли обаче ще е проблем над 10 бита.
Няма нищо по хубаво от старите телевизори, особено за хората които обичат да прекарват свободното си време зад телевизора а не на канапето пред него :) ... и когато вече за нищо не стават пак може да им се намери приложение :D ....

Неактивен ahedproductions

  • Адронен колайдер
  • *****
  • Публикации: 1990
  • Населено място: София
  • LZ1SWE
Re: Генериране на АМ сигнал със синтезатор AD9851
« Отговор #8 -: 04 Септември, 2014, 09:30:12 »
 :D
Лаборатория по електроника и радиотехника "Етер"

Неактивен ahedproductions

  • Адронен колайдер
  • *****
  • Публикации: 1990
  • Населено място: София
  • LZ1SWE
Re: Генериране на АМ сигнал със синтезатор AD9851
« Отговор #9 -: 04 Септември, 2014, 12:49:08 »
Днес изпробвах една стара, но изпитана схема на предусилвателно стъпало за генератора. Тъй като всеки уважаващ себе си възбудител трябва да има поне 8-10 вата изходна мощност, реших да я постигна с транзистори, вместо с лампи. Спрях се на една схема патентована през 1974 от Дейвид Нортън и Алан Подел, която използва принципът на Нортън за обратна връзка. Трансформаторът е навит за 12dB усилване, но на 1.2МХц поличух 36 пъти усилване по мощност в 50 ома товар или 15,6dB, като изходната мощност е 57,6mW. На изхода съм сложил същия филтър, който е след DDS-a, с малката разлика че на изхода си има 50 омов SMD резистор (ако не виждате товарчето ми включено преди осцилоскопа - това е причината!).
НЕ ГЛЕДАЙТЕ СТОЙНОСТТА НА НАПРЕЖЕНИЕТО НА СНИМКИТЕ - БЯХ ЗАБРАВИЛ ЗА ВКЛЮЧА ТОВАРНИЯ РЕЗИСТОР! Реалната стойност е 2.4V, а не 4.8V както е на снимките. Но пък формата е същата.
17911-0
17913-1
17915-2
17919-3

 :hi:
Лаборатория по електроника и радиотехника "Етер"

Неактивен ahedproductions

  • Адронен колайдер
  • *****
  • Публикации: 1990
  • Населено място: София
  • LZ1SWE
Re: Генериране на АМ сигнал със синтезатор AD9851
« Отговор #10 -: 05 Септември, 2014, 16:33:45 »
Поредния ъпдейт! Вече имам работещ АМ възбудител с изходна мощност 10Wp (2.5W носеща). Крайното стъпало е изпълнено в режим AB с транзистори IRF830. Изходния филтър е Чебишев, от пети ред, на -30дБ @ 2.14МХц, който изчислих със A.A.D.E. Filter Designer 4.0, като използвах готово дросели по 5uH. Оригиналния дизайн на стъпалото (http://www.cqham.ru/PA_IRF510.htm) иамше два големи недостатъка. Първо, налагаше да се използват мачнати транзистори, което за ВЧ е по-лесно да се каже, от колкото да се направи. По тази причина разделих веригите за преднапрежението за двата транзистора. Второ, използваха се IRF510, транзистори, които са толкова мързеливи и с огромен входен капацитет, че не стават за нищо ВЧ като хората. Смених и предложените феритни ядра тип FT50-43 с по-големи и нискочестотни (изкорубени от импулсно захранване  :diablo:). Резултатът е доста добър! За захранване използвам 13.5 волта от китайско импулсно 8А. Нямам шумови грижи с него, всичките стъпала са грижливо развързани по ВЧ.
17939-0
17941-1
17943-2
И гълтаме колко точец...? 1А, около 13 вата. Това прави около 60% КПД, ако не бъркам сметките ( съвсем вероятно! :D )
17945-3
 :hi:
« Последна редакция: 05 Септември, 2014, 16:47:11 от ahedproductions »
Лаборатория по електроника и радиотехника "Етер"

Неактивен lz2xl

  • Глобален модератор
  • Адронен колайдер
  • *****
  • Публикации: 3722
  • Населено място: Варна
Re: Генериране на АМ сигнал със синтезатор AD9851
« Отговор #11 -: 05 Септември, 2014, 18:05:24 »
Тук не съм много съгласен с теб IRF510 има входен капацитет 135 пф,изходен 80 пф. IRF830 има 610 пф. входен и120 пф.изходен капацитет.Само че е по високоволтов.При мен същото стъпало работи вече няколко години на 18 волта и няма проблеми с 21 и 28 мхц.12 волта е критичния минимум и по калпавите китайци не се държат добре там :) Това забелязах след като му сложих транзистори IRF510 от Елимекс :) Има нещо друго при тебе.Моето е това.Около 150-200 мвт на входа го разклащат на 3-4 ампера при 18 волта.На изхода излиза грубо казано около 20-25 вата.

Неактивен ahedproductions

  • Адронен колайдер
  • *****
  • Публикации: 1990
  • Населено място: София
  • LZ1SWE
Re: Генериране на АМ сигнал със синтезатор AD9851
« Отговор #12 -: 05 Септември, 2014, 18:32:36 »
Ммм. А защо си мислех, че е по-голям капацитета... каквато и да е била причината, 380 работи много по-добре на 1.2МХц, от колкото 510. Може и да са били китайски, не зная, не можех да ги бутна - като тухли бяха. Имах 380, сложих и грейна. Мерси за инфото все пак! Мисля да вдигна захранващото до 15.6, захранването се регулира. Само ще сменя bias резистора на GALI-то в DDS-a, че ще му дойде много точеца. :) Аз не гоня повече от 10 вата пик в случая. :hi:
Лаборатория по електроника и радиотехника "Етер"

Неактивен origo

  • Адронен колайдер
  • *****
  • Публикации: 3507
  • Населено място: София
Re: Генериране на АМ сигнал със синтезатор AD9851
« Отговор #13 -: 05 Септември, 2014, 18:41:38 »
То най-важен е проходния капацитет, а не входния или изходния. Защото проходния с ефекта на милер се увеличава многократно и може да се окаже решаващ в случая, а входния да остане „пренебрежим“.
Няма нищо по хубаво от старите телевизори, особено за хората които обичат да прекарват свободното си време зад телевизора а не на канапето пред него :) ... и когато вече за нищо не стават пак може да им се намери приложение :D ....

Неактивен lz2xl

  • Глобален модератор
  • Адронен колайдер
  • *****
  • Публикации: 3722
  • Населено място: Варна
Re: Генериране на АМ сигнал със синтезатор AD9851
« Отговор #14 -: 05 Септември, 2014, 19:13:41 »
Проходния капацитет и на двата е около 10 пф,там няма разлика.Индуктивността на дрейна и на двата е идентична.По тия показатели нямат разлика.Входния капацитет има много голямо значение понеже има пряко участие в Ri на стъпалото.Изходния има значение като тоя в случая за честоти над 15-20 мхц.При мен има значение понеже влиза в сметката за изходния филтър.

За тия усилватели е много важен началния ток.За IRF510 около 80-120 ma.За IRF830 не знам,те са по високоволтови.За ниски честоти тия ферити който си сложил са добри.При мен обаче не се получи с ферити над 1500-2000 мю.FT 50-43 имаше на изложението в Казанлък.Такива ползвам някъде около 800-1000 мю.

 

Сходни теми

  Заглавие / Започната от Отговора Последна публикация
194 Отговора
70438 Прегледи
Последна публикация 15 Септември, 2020, 18:41:22
от ahedproductions

ПОЛЕЗНИ ВРЪЗКИ

Начален сайт "САНДЪЦИТЕ" Библиотека "Сандъците"
ОТГОВОРНОСТИ: Всички мнения във ФОРУМА са лични мнения на техните автори и не отразяват официалното становище на собствениците му.
   Copyright: Освен ако не е посочено друго, съдържанието на този сайт е лицензирано под:
  Creative Commons Attribution License.
  Текстът на договора за ползване на български
Copyright © 2011 - Сандъците - сайт и форум за стара електроника - За контакти  

Партньори:  | Форум за конспирации, уфология и мистика | Кактус БГ |