| Начален сайт Сандъците  | "Библиотека Сандъците" | МОЖЕ ДА ПОДКРЕПИТЕ ФОРУМА С ДАРЕНИЕ >ТУК<

Автор Тема: Макети за обучение по радиотехника  (Прочетена 41333 пъти)

0 Потреб. и 1 Гост преглежда(т) тази тема.

Неактивен ahedproductions

  • Адронен колайдер
  • *****
  • Публикации: 1990
  • Населено място: София
  • LZ1SWE
Re: Макети за обучение по радиотехника
« Отговор #15 -: 17 Август, 2014, 16:37:31 »
Е колеги, ще има ли мераклии да действаме заедно? Да поделим тестването?
Това е първия списък:
1) Еднолампов предавател CW с лампа с една система, за ДВ, СВ или КВ. Сменяеми честотно задаващи елементи и може би някои стойности на режимозадаващи такива. Входове за VFO, с кварц или с LC кръг, и за модулация.
2) Двулампов предавател CW с две лампи (в краен случай една с две системи) тип MOPA (Master oscillator Power Amplifier), например Триод-Пентод/Тетрод. Пак така с обхватите и входовете.
3) Лампов модулатор АМ, или за анодна модулация с трансформатор , или със серийна лампа за модулация във втора решетка на тетрод/пентод.
Има ли мераклия някой да хване един вариант и да тества? Като се спрем на схема може да пратя части, ако имате затруднения.
В момента тествам 2 неща - АМ предавател с един транзистор (по схемата на Vectronics 1290K) и суперхетеродинен приемник с СХА1600Р. Мога да поема още едно нещо, например едноламповия предавател.
Лаборатория по електроника и радиотехника "Етер"

Неактивен ian

  • Квантов електрон
  • ***
  • Публикации: 248
  • sandacite@abv.bg
Re: Макети за обучение по радиотехника
« Отговор #16 -: 18 Август, 2014, 00:45:15 »
Колега, идеята ти е чудесна и много ми се иска да ти помогна с нещо, но за съжаление не разбирам достатъчно от тази материя.
Все пак за да не остане идеята ти "глас в пустиня", апелирам към колегите, които разбират да ти помогнат с нещо макар и малко в това твое благородно начинание.
Успех!!! :good:

Неактивен ahedproductions

  • Адронен колайдер
  • *****
  • Публикации: 1990
  • Населено място: София
  • LZ1SWE
Re: Макети за обучение по радиотехника
« Отговор #17 -: 18 Август, 2014, 09:04:36 »
Здравей Ян!
Мерси за добрите думи, но искам да попитам следното - защо мислиш, че ако имаш желание, нямаш със какво да се справиш и да помогнеш?   :)
Знаеш ли какво е детекторен приемник?
Поздрави!  :hi:
Билян
LZ1SWE
Лаборатория по електроника и радиотехника "Етер"

Неактивен ian

  • Квантов електрон
  • ***
  • Публикации: 248
  • sandacite@abv.bg
Re: Макети за обучение по радиотехника
« Отговор #18 -: 18 Август, 2014, 10:30:39 »
Знам. :) За това мога да помогна. Пиши на лични.
Поздрави! :hi:

Неактивен ahedproductions

  • Адронен колайдер
  • *****
  • Публикации: 1990
  • Населено място: София
  • LZ1SWE
Re: Макети за обучение по радиотехника
« Отговор #19 -: 18 Август, 2014, 20:54:57 »
След малко ръчкане имам резултат! Схемката наистина е прекрасна, звучи страхотно и сваля хубав чист сигнал от четвъртия етаж дори долу на двора! Направих малко допъления и промени. Смених транзистора на 2N2222 и сложих индикатор на настройката. Използвах налични променливи кондензатори с максимален капацитет около 160пФ. При мен нямаше един споменат в мрежата проблем, но ако имате високочестотен шум в сигнала, сложете един 220пФ кондензатор паралелно на 4.7к резистор в генератора. Генераторът покрива от 510кХц до 1900кХц, но изходния кръг може да настрои дадената антена между 510 и 1550кХц. Ако антенката се скъси или удължи, картинката ще се промени съответно. Който иска да строи - да казва! Отговарям на въпроси! Частите са от Комет Електроникс в Софето.
 :hi:
Лаборатория по електроника и радиотехника "Етер"

Неактивен origo

  • Адронен колайдер
  • *****
  • Публикации: 3507
  • Населено място: София
Re: Макети за обучение по радиотехника
« Отговор #20 -: 18 Август, 2014, 22:53:49 »
Определено много ми харесва концепцията и искам да реализирам схемата колега, ще се радвам да обсъдим подробности около конструкцията :) Евала за разработката и начинанието!
Няма нищо по хубаво от старите телевизори, особено за хората които обичат да прекарват свободното си време зад телевизора а не на канапето пред него :) ... и когато вече за нищо не стават пак може да им се намери приложение :D ....

Неактивен ahedproductions

  • Адронен колайдер
  • *****
  • Публикации: 1990
  • Населено място: София
  • LZ1SWE
Re: Макети за обучение по радиотехника
« Отговор #21 -: 19 Август, 2014, 07:21:28 »
Mersi Origo! Както споменах по-нагоре, това е схема на Vectronics 1290K, предавател продаван на комплект вече 20 години. Аз само сложих ниво-индикатора. Давай въпросите на лични, да не забиваме топика.  :master2:
П.П. Да спомена нещо важно за всички мераклии на тази схема - ТРЯБВА да използвате САМО усилвател LM386N-4. Той дава около ват звук и толерира до 22 волта на захранването. Не че хилавите варианти (325 и 500mW, до 12V захранване) на чипа няма да работят, просто се мъчат, греят зверски и кривят в горната лента на модулирания сигнал. Ако не намирате в България, може да си поръчате от фарнел за 2 лева бройката - http://bg.farnell.com/texas-instruments/lm386n-4/ic-amp-audio-0-7w-dip8-386/dp/9488359. Ще се опитам да преработя модулатора за TBA820 например, но това ще е по-натам.
« Последна редакция: 19 Август, 2014, 08:06:32 от ahedproductions »
Лаборатория по електроника и радиотехника "Етер"

Неактивен ahedproductions

  • Адронен колайдер
  • *****
  • Публикации: 1990
  • Населено място: София
  • LZ1SWE
Re: Макети за обучение по радиотехника
« Отговор #22 -: 19 Август, 2014, 07:52:36 »
Знам. :) За това мога да помогна. Пиши на лични.
Поздрави! :hi:
Само да решим как точно можеш да помогнеш и минаваме на лични по темата. Вече е доста трудно да си намери човек високоомни слушалки. Но за сметка на това имаме немалко варианти за НЧУ, които ще ги има на макети - и транзисторни, и лампови и с чип. Така че като оставим на страна слушалките, в списъка ми има 4 детекторни приемника.
1) Много евтин самоделен вариант - единствен закупен елемент е германиевия диод. Останалото е саморъчна изработка! Постоянен капацитет, променлива индуктивност с плъзгач (или цилиндричен вариометър, например схема на Шапошников - http://radiolamp.net/news/331-detektornyj-priemnik-shaposhnikova.html);
2) Вариант с променлив кондензатор и бобина кошнично дъно/кошнична стена - https://www.google.bg/search?q=basket+weave+coil&source=lnms&tbm=isch&sa=X&ei=q9PyU87kNqqaygO0z4LYCg&ved=0CAgQ_AUoAQ&biw=1280&bih=617
17194-0
3) Пуш-пул вариант, например http://the-mostly.ru/misc/radio_with_no_power.html или само с диоди - http://www.oddmix.com/tech/px/cr_highperf_crystlset_f1.gif . Последната схема съм я правил и бях в шок колко станции дръпна вечер!
4) Сериозен DX вариант, например нещо от типа - http://www.ac8gy.com/crystal.html или http://makearadio.com/crystal/52.php

Задачата е да се изработят, доразработят, изпипат и направят на каквато макетна основа сме решили. Ако исмаш желание и време да поемеш тази част, следващата стъпка е да се спрем на конкретни схемни решения. Имаш ли външна антена и хубаво заземяване? Къде живееш, имаш ли достъп до части? Ако си съгласен - минаваме на лични.
 :hi:
Лаборатория по електроника и радиотехника "Етер"

Неактивен ian

  • Квантов електрон
  • ***
  • Публикации: 248
  • sandacite@abv.bg
Re: Макети за обучение по радиотехника
« Отговор #23 -: 19 Август, 2014, 09:13:31 »
Имам високоомни слушалки и части се понамират, с времето съм малко зле, но имам желание и се надявам да намеря и време :) Живея в къща- минаваме на лични (в нелегалност, така да се каже) :D

Неактивен styrshel

  • Адронен колайдер
  • *****
  • Публикации: 1603
  • Населено място: Варна
Re: Макети за обучение по радиотехника
« Отговор #24 -: 19 Август, 2014, 11:44:02 »
Давай НЧУтата с лампи, там ще участвам аз! :) :) :)

Неактивен mano

  • Администратор
  • Адронен колайдер
  • *****
  • Публикации: 1306
  • Населено място: Пазарджик
  • LZ5TA
    • manofoto
Re: Макети за обучение по радиотехника
« Отговор #25 -: 19 Август, 2014, 11:55:00 »
И аз чакам лампите :)

Неактивен ahedproductions

  • Адронен колайдер
  • *****
  • Публикации: 1990
  • Населено място: София
  • LZ1SWE
Re: Макети за обучение по радиотехника
« Отговор #26 -: 19 Август, 2014, 12:54:32 »
Снимката е от преди минута - по най-проста схема, без никаква земя и антена слушам Видин!!! Интегралката е ТА7642, свързана по опростената схемка на втората картинка и към лабораторното ми НЧУ. Много стабилно и по тази схема - никакви проблеми с обхвата на АРУ-то, така силни при класическата схема на свързване. Страхотно чипе.
Следва - пълен приемник по схемата Ferrite Fox 5 - http://theradioboard.com/rb/viewtopic.php?f=4&t=4163&p=36510&hilit=fox#p36510
Имам 20 броя ТА7642, скоро ще повика още 100 за 8 долара... :D
Ок народе! Ще замисля списъка с НЧУ и го пускам до час!  :hi:
Лаборатория по електроника и радиотехника "Етер"

Неактивен ahedproductions

  • Адронен колайдер
  • *****
  • Публикации: 1990
  • Населено място: София
  • LZ1SWE
Re: Макети за обучение по радиотехника
« Отговор #27 -: 19 Август, 2014, 15:09:36 »
Нискочестотни усилватели - най-накрая!  :D
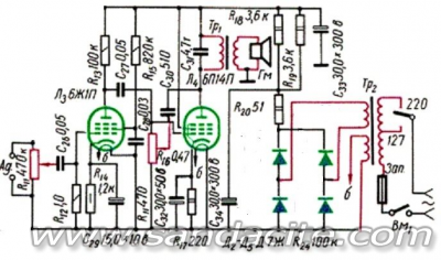
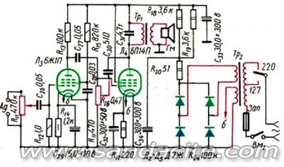
Лампови НЧУ - тук най-голям проблем ще бъдат трансформаторите. За сингъл енд няма как - ще се използва аудио траф. Но за пуш-пул може и мрежов траф.
1) Еднолампов НЧУ
Предлагам да се използва лампа от тип ECL или 6Ф4П. Примерно следната схема:
17200-0
2) Двулампов НЧУ
Предлагам една схема от мен - построена и прекрасно работеща! Страшно стара класика.
17202-1
3) Пуш-пул усилвател с мрежов трансформатор за изходен. Мисля следното - един трансформатор 2х110 в / 12 в ще даде 20:1 отношение или около 400:1 импедансна трансформация, което при 8 ома ще даде 3,2к товар към лампите, ако не бъркам нещо нещата. Може да се използват дори 6П3С. Този усилвател ми е с най-много въпросителни и ще излезе най-скъпо. Моля давайте мнения и идеи!

Транзисторни НЧУ
1) Предусилвател ОЕ, два броя на един макет. С възможност да се свържат серийно за повече усилване. Схемки типични:
17204-2
2) Малко по-мощно стъпалце:
17206-3
3) Дайте идея за МОСФЕТ вариант.

Интегрални НЧУ
1) Предусилвателно стъпало с TL071 - няма нужда от схема тук...
2) Усилвател 1 ват с TDA7052
17208-4
3) Усилвател 10 вата с TDA2003
17210-5
4) Нестандартен вариант! Усилвател с шунтов регулатор TL431!
17212-6
Или пък малко по-мощно:
17213-7

Това е за сега колеги! Ако има мераклии да се захванат с една или повече схеми, моля заявявайте ги! Аз имам готови двуламповия усилвател, предусилвателите с TL071 и с един транзистор, вариантите с TDA7052 и TDA2003, смисъл мога да изпълня макетите. Но това е в случай, че схемните решения остават като предложените.  :hi:
Лаборатория по електроника и радиотехника "Етер"

Неактивен styrshel

  • Адронен колайдер
  • *****
  • Публикации: 1603
  • Населено място: Варна
Re: Макети за обучение по радиотехника
« Отговор #28 -: 19 Август, 2014, 15:22:44 »

Неактивен origo

  • Адронен колайдер
  • *****
  • Публикации: 3507
  • Населено място: София
Re: Макети за обучение по радиотехника
« Отговор #29 -: 19 Август, 2014, 19:39:46 »
Аз мисля да реализирам модулацията на предавателчето клас Ц с дискретен НЧУ а не ОУ. Предполагам няма да произтекат някакви проблеми от това...
Няма нищо по хубаво от старите телевизори, особено за хората които обичат да прекарват свободното си време зад телевизора а не на канапето пред него :) ... и когато вече за нищо не стават пак може да им се намери приложение :D ....

 

ПОЛЕЗНИ ВРЪЗКИ

Начален сайт "САНДЪЦИТЕ" Библиотека "Сандъците"
ОТГОВОРНОСТИ: Всички мнения във ФОРУМА са лични мнения на техните автори и не отразяват официалното становище на собствениците му.
   Copyright: Освен ако не е посочено друго, съдържанието на този сайт е лицензирано под:
  Creative Commons Attribution License.
  Текстът на договора за ползване на български
Copyright © 2011 - Сандъците - сайт и форум за стара електроника - За контакти  

Партньори:  | Форум за конспирации, уфология и мистика | Кактус БГ |