Нискочестотни усилватели - най-накрая!

Лампови НЧУ - тук най-голям проблем ще бъдат трансформаторите. За сингъл енд няма как - ще се използва аудио траф. Но за пуш-пул може и мрежов траф.
1) Еднолампов НЧУ
Предлагам да се използва лампа от тип ECL или 6Ф4П. Примерно следната схема:

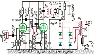
2) Двулампов НЧУ
Предлагам една схема от мен - построена и прекрасно работеща! Страшно стара класика.

3) Пуш-пул усилвател с мрежов трансформатор за изходен. Мисля следното - един трансформатор 2х110 в / 12 в ще даде 20:1 отношение или около 400:1 импедансна трансформация, което при 8 ома ще даде 3,2к товар към лампите, ако не бъркам нещо нещата. Може да се използват дори 6П3С. Този усилвател ми е с най-много въпросителни и ще излезе най-скъпо. Моля давайте мнения и идеи!
Транзисторни НЧУ
1) Предусилвател ОЕ, два броя на един макет. С възможност да се свържат серийно за повече усилване. Схемки типични:

2) Малко по-мощно стъпалце:

3) Дайте идея за МОСФЕТ вариант.
Интегрални НЧУ
1) Предусилвателно стъпало с TL071 - няма нужда от схема тук...
2) Усилвател 1 ват с TDA7052

3) Усилвател 10 вата с TDA2003

4) Нестандартен вариант! Усилвател с шунтов регулатор TL431!

Или пък малко по-мощно:

Това е за сега колеги! Ако има мераклии да се захванат с една или повече схеми, моля заявявайте ги! Аз имам готови двуламповия усилвател, предусилвателите с TL071 и с един транзистор, вариантите с TDA7052 и TDA2003, смисъл мога да изпълня макетите. Но това е в случай, че схемните решения остават като предложените.
